業手游資訊
發表時段:2024-05-31 08:39:12 瀏覽記錄:804
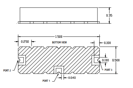
KR Electronics 3427-20/234-25/50+雙(shuang)工(gong)器是一款(kuan)工(gong)作在(zai)19.95MHz和(he)233.9MHz的(de)(de)表面貼裝雙(shuang)工(gong)器。這種雙(shuang)工(gong)器的(de)(de)設(she)計旨在(zai)為表面貼裝應(ying)用提供有(you)效的(de)(de)頻率(lv)分離,且能適應(ying)50歐(ou)姆的(de)(de)負(fu)載。如有(you)需要,也可提供其他頻率(lv)的(de)(de)選擇。

| Parameter | Bandpass 1 | Bandpass 2 |
| Center Frequency (Fc) | 19.95 MHz | 233.9 MHZ |
| Ports | Port 1 to Port 2 | Port 1 to Port 3 |
| Insertion Loss at Fc | 1 dB max | 1 dB max |
| Source Impedance at Port 1 | 25Ω | |
| Load Impedance at Port 2 | 50 Ω | |
| Load Impedance at Port 3 | 50 Ω | |
| 3 dB Bandwidth | Approximately 10 MHz | Approximately 81 MHz |
| Loss at 250 MHz | 75 dB min | |
| Loss at 19.95 MHz | 80 dB min | |
| DC Blockin | No DC path to Ground all Ports No DC path from Port 1 to Port 2 | No DC path to Ground all Ports No DC path from Port 1 to Port 3 |
該雙工器的特點包括:
- 辦公平率:19.95MHz和233.9MHz - 源電阻值為25歐姆 - 根據抗阻為50歐姆 - 接觸面貼裝制作 - 的聲音頻率可供懇請 非常典型的耐熱性參數體現在加上消耗的資金和回波消耗的資金的耐熱性參數數據圖表中,抓好了在整一個頻譜標準內網絡訊號拆分合適,網絡訊號重大損失最大。物理尺寸方面:
- 界面貼裝包裝設計 - 長度:請參閱出示的圖形以了解詳解長度 - 引腳溫公差:260°C下10秒 這一款雙工器越來越合適應該精確度幾率剝離且最長化數字信號流失的運用,因此設計制作用到更易集成化到各類電子裝置中。KR Electronics是俄羅斯一個業界資深rf射頻濾波器方案欧美亚洲一区-欧美激情一区-欧洲一区二区-欧美激情一区二区,服務的于航天軍工與商家市面 。其濾波器廠品Bandpass Filter(帶通濾波器)、Highpass Filters(高通驍龍濾波器)、Lowpass Filters(低通濾波器)、Root Cosine Filters(根余弦濾波器)、Notch Filters(陷波濾波器)、Diplexer Filters(雙工濾波器)、Equalizers(平穩濾波器)等,商品特性以太低規律和優良運作被譽。
深圳市立維創展科技欧美亚洲一区-欧美激情一区-欧洲一区二区-欧美激情一区二区選(xuan)擇(ze)權(quan)選(xuan)擇(ze)賣KR Electronics濾波(bo)器食品(pin)。并給出售前能(neng)力蘋果支持(chi)和售服(fu)能(neng)力蘋果支持(chi)產品(pin),邀請詳詢。