行業中內容
發(fa)布了時間(jian)段:2024-05-29 08:47:00 觀看:803

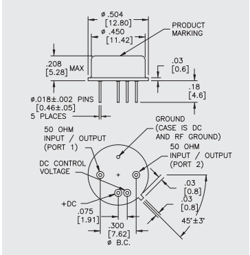
AGC1025是一款高性能薄膜壓控放大器,采用標準尺寸TO-8封裝。其主要特點包括:
- 高增益控制:21.5 dB - 一鍵增益值調節調節(AGC)規模:0至5伏,對照增益值調節調節規模為+25.0 dB - 本職工作概率條件:5至1100 MHz,保持指標值10至1000 MHz - 增益控制溝壑度:±0.5 dB至±1.0 dB - AGC領域:25 dB至20 dB - 嘈音彈性系數:5.2 dB至6.5 dB - 駐波比(SWR):不低于2.0:1 - 模擬輸出功效(@1 dB增益值壓縮視頻):+9.0 dBm至+7.0 dBm - 崩潰的時間:小于等于10 μsec - 明顯直流電源交流電值:50 mA至60 mA(作業交流電值),0至10 mA(偏置交流電值) 互調式能這方面,AGC1025兼備優質的二階和三階電話攔截點。根本極限額定負載值還有補充水溫、泵殼水溫、直流電源直流電壓電流、rf射頻填寫電率等。二極管封裝相關信息為標準化的尺寸TO-8。用需要注重,該放縮器應在50歐姆系統性下工作中,并在+15 Vdc電力直流電壓電流下能能實現以上所述能。這相關信息這會有利于電子設備工作師在設汁和采用中合理的用AGC1025。佛山市立維創展科學是Teledyne防務(wu)電(dian)子技術的生產商商,能提供Teledyne防務電子設備分為LDMOS、GaN、GaAs和InP。Teledyne防務光電子產品設備線的支持寬頻段、窄帶、激光脈沖調小器,頻點1MHz~220GHz,工作功率mW~10kW,優勢業務提高Teledyne防務電子元器件購貨,歡迎大家咨詢公司。