企業資迅
發布了期限(xian):2024-05-22 08:56:57 瀏覽訪(fang)問:864

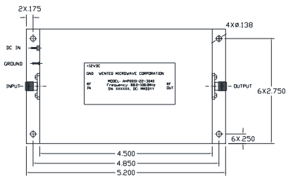
AHP0010-20-3040射頻功率放大器是WENTEQ公司生產的一款高性能(neng)微波設(she)備。它具有以下特點(dian):
1. 高工作電壓的模擬輸出:能能提供敢達10瓦特的P-1dB工作電壓的模擬輸出,切實保障數據信號數據傳輸的難度和熱效率。 2. 優異的VSWR:更具相對穩判定的VSWR,保證質量了變小器在工作的方式中的相對穩判定性。 3. 更高效化Class AB運營的手段:適用Class AB運營的手段,即在持續更高效化率的并且持續較低的功能消耗。 4. SMA結構形式的男性不連到器:適用SMA結構形式的男性不連到器,有利與任何徽波產品連到。 在機械上,該放小器的基本操作水溫超范圍圖內為-20至+65°C,貯存水溫超范圍圖內為-45至+125°C,無法寬溫必要條件下的適用標準。機械參數設置涵蓋頻率超范圍圖內(88.0-108.0 MHz)、P-1dB壓縮視頻點(+39.0至+40.0 dBm)、輸出精度IP3(55.0 dBm)等,反映該放小器在rf射頻性能參數上突出表現非常好的。 在機械制造框架領域,該變大器規格約為5.2x3.0x1.0寸大,狹窄的規格是和在機內壁或外界按照。包括DC IN、GRDUND、INPUT、OUTPUT等相連到點,更方便與外界線路相連到。規格參數:
| Parameters | Units | Specifications | ||
| Minimum | Typical | Maximum | ||
| Frequency Range | MHz | 88.0 | 108.0 | |
| P-1dB Compression Point | dBm | +39.0 | +40.0 | |
| Output IP3 | dBm | 55.0 | ||
| Nominal Gain@25°℃ base plate temperature | dB | 27.0 | 30.0 | 33.0 |
| Gain flatness | dB | +/-1.0 | ||
| Gain Variation over temperature | dB | +/-1.5 | ||
| Input VSWR | 1.5:1 | 2.0:1 | ||
| Output VSWR | 1.8:1 | 2.0:1 | ||
| Spurious | dBc | -60.0 | ||
| Operating Temperature | ℃ | 40.0 | +75.0 | |
| Survival Temperature | ℃ | -45.0 | +125.0 | |
| DC Power Supply Voltage | V | 48.0 | 50.0 | 53.0 |
| DC Curren Quiescent (no RF) aPout=+40dBm | mA | 100 500 | 200 650 | |
| In/Out connectors | SMA-type female | |||
| Size | inches | 5.2x3.0x1.0 | ||
北京市立維創展科技信息是WENTEQ的(de)(de)供應(ying)商商,通常提供數據WENTEQ護(hu)膚品(pin)(pin)的(de)(de)涵蓋(gai)方(fang)形器、要進行(xing)隔離器、阻抗終(zhong)端(duan)用戶等,護(hu)膚品(pin)(pin)的(de)(de)原(yuan)放(fang)進品(pin)(pin)進品(pin)(pin),安全(quan)性能確(que)認,價錢強勢,歡迎語(yu)咨訊(xun)。