制造行業方式
推(tui)出時:2024-05-20 09:02:27 看:872

主要特點:
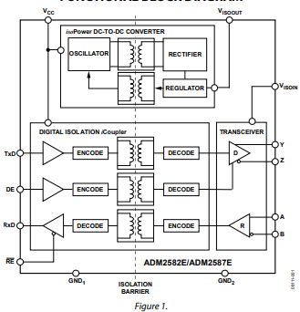
- 完完全全一體化式底部底部防曬隔離霜動態數據收發的時候器:ADM2587E一體化了三通管件道底部底部防曬隔離霜器、三態差分電路驅使器、差分輸出推送器和這個isoPower DC/DC轉型器,展示了這個完成的無線信號和供電底部底部防曬隔離霜緩解預案。 - ±15 kV ESD護理性:RS485顯示/打印輸出引腳含有防靜電釋放(ESD)護理性,上升了整體的好用性和信得過性。 - 整合式隔絕DC-DC電源適配器:內裝置的isoPower技術設備供應隔絕的DC/DC換算,不用再第三方DC/DC隔絕功能。 - 具備細則化:裝修設計具備ANSI TIA/EIA-485-A-98和ISO 8482:1987(E)細則化,使用于營養均衡的無線傳輸路線圖。 - 靈巧的事業交流電壓:不支持5V或3.3V單外接電源配電。 - 高統計資料資料時延:ADM2587E幫助超過500 kbps的統計資料資料時延。 - 多組件支撐:傳輸線會接觸多大256個組件。 - 出現問題的保養:提供漏電和漏電出現問題的保養發送器投入,及及熱關斷保養用途。 - 高共模瞬變抗擾度:具有著多于25 kV/μs的共模瞬變抗擾度,從而提高了系統軟件在一些惡劣環鏡下的固界定。應用:
- 分隔式RS-485/RS-422界面:適宜于必須高壓電器分隔的RS-485/RS-422光纖通信界面。 - 產業現場網路上:在產業半自動操縱和操縱操作系統中,應用在構筑穩定的通信網路網路上。 - 多方的數據信息傳送體系:在多方無線通信體系中,廣泛用于高速的的數據信息傳送和接收入。產品型號:
| Model' | Data Rate (MMbps | Temperature Range | Package Description | Package Option | |
| ADM2582EBRWZ ADM2582EBRWZ-REEL7 | 16 16 | -40℃ to+85℃ -40℃ to+85℃ | 20-Lead SOIC_W 20-Lead SOIC_W | RW-20 RW-20 | |
| ADM2587EBRWZ ADM2587EBRWZ-REEL7 | 0.5 0.5 | -40℃ to +85℃ -40℃ to+85℃ | 20-Lead SOIC_W 20-Lead SOIC_W | RW-20 RW-20 | |
| EVAL-ADM2582EEBZ EVAL-ADM2582EEMIZ EVAL-ADM2587EEBZ EVAL-ADM2587EEMIZ EVAL-ADM2587EARDZ EVAL-ADM2587ERPIZ EVAL-ADM2587EEB2Z | ADM2582E Evaluation Board ADM2582E EMI Compliant Evaluation Board ADM2587E Evaluation Board ADM2587E EMI Compliant Evaluation Board ADM2587E Arduino Evaluation Board ADM2587E Raspberry Pi Evaluation Board ADM2587E Isolated RS-485 Repeater Evaluation Board | ||||