業訊息
披露時(shi)候:2024-05-16 09:15:52 瀏(liu)覽(lan)器:814
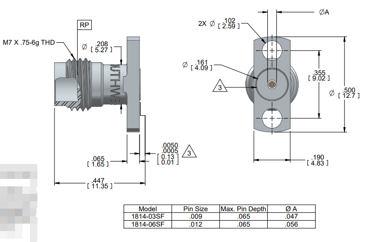
SOUTHWEST中南微波加熱 1814-06SF系(xi)列是(shi)一款專為高(gao)頻(pin)(pin)應用(yong)設(she)計的(de)1.85mm(V)插(cha)孔(kong)連接器(qi),具有2孔(kong)法蘭(lan)安裝配置(zhi)。該連接器(qi)為母(mu)頭設(she)計,能夠接受直徑(jing)為0.012英寸(cun)(cun)的(de)公(gong)插(cha)針,并(bing)提供氣密密封功能,確保在高(gao)頻(pin)(pin)應用(yong)中的(de)性能穩(wen)定。它支持18GHz、27GHz、36GHz、40GHz、50GHz和(he)67GHz的(de)頻(pin)(pin)率范圍,適用(yong)于微波通信、雷達系(xi)統(tong)和(he)測(ce)試測(ce)量設(she)備等高(gao)頻(pin)(pin)應用(yong)場(chang)景。連接器(qi)采(cai)用(yong)2孔(kong)法蘭(lan)安裝方式,法蘭(lan)尺寸(cun)(cun)為0.500英寸(cun)(cun)長(chang),孔(kong)直徑(jing)為0.102英寸(cun)(cun),使用(yong)T-291-5型孔(kong)刀具和(he)T-212-15型焊料工具進行安裝和(he)焊接。


北京市立維創展科技產業得到SOUTHWEST華(hua)南微波加熱大(da)這(zhe)部分技(ji)(ji)能(neng)(neng)參(can)數能(neng)(neng)保(bao)證期貨好產品(pin),并幫忙能(neng)(neng)保(bao)證技(ji)(ji)能(neng)(neng)支持軟件與售后(hou)維(wei)修點服務性(xing)。
詳情介紹了解一下SOUTHWEST華中微波通信請打開網頁://www.gyzhkj.com/brand/7.html