BXMP1012低燥音rf射頻拖動器API Tech
發布了事件(jian):2024-05-08 08:52:00 查詢:704

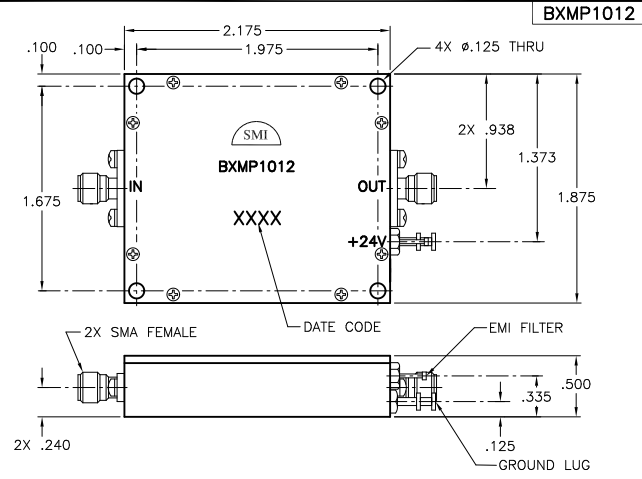
BXMP1012低噪音污染擴大器就是款專為必須低噪音污染、高曲線度和高輸出精度輸出的操作而定制的擴大器。它都具有之下其主要共同點和優越: 1. 低噪音分貝指數公式:經典參考值3.7 dB,最大化參考值4.0 dB,支持于想要高信噪比的采用場面。 2. 高三英語階切斷點:先進典型值>+49 dBm,保護在應對高增長幅度設置數字信號時并不會發生顯眼的非直線偏色。 3. 高一階和二階雙音截掉點:分別為+95 dBm(明顯值)和+93 dBm(明顯值),就能夠正確處理急劇度的錄入數據而不易受到作用。 4. 高耗油率1 dB收縮點:主要表現值一般選擇+32 dBm,效果耗油率大,在高額定負載環境下仍能保持著較低偏色。 5. 的辦公溫條件多方面:符合于-55℃至+100℃的的辦公生態溫,-62 ℃至 +125 ℃的存儲溫規定。 6. 速度範圍非常廣泛:0.5 - 35 MHz,可足夠有差異速度下的運用要求。 7. 放入/輸出的效率及收獲產品規格型號很明確:兼有清洗的效率、收獲和降低點產品規格型號,便利用戶組在設定和應用軟件時確定合理定位系統。 8. VSWR低:讀取和輸出精度電壓值駐波比均值為1.5:1,以確保手機信號傳送數據學習效率。 9. 可用人群各個前沿技術諸多:wifi通訊網絡、雷達探測、考試機 等各個前沿技術,可用人群于必須要 清理不大信息并保證信息全面性和高質量的情景。
| CHARACTERISTIC | TYPICAL Ta=25 ℃ | MIN/MAX Ta =0℃ to+50℃ |
| Frequency | 0.5 -35 MHz | 05-35 MHz |
| Gain(dB) | 22 | 21.5 Min./ 22.5 Max |
| Gain Flatness (dB) | 0.5 | 0.5 Min. |
Power @ 1 dB Comp.(dBm) | +32 | +31 Min |
| P2(dBm)5-35 MHz | 93 | 90 Min |
| IP3(dBm | 49 | 47 Min. |
Reverse lsolation (dB) | 27 | 26 Min. |
| VSWR | In Out | <1.5:1 <1.5:1 | 1.5:1 Max 1.5:1 Max |
| Noise figure (dB) | 3.7 | 4.0 Max |
Powe Vdc mA | +24 425 | +24 450 Max |