該行業信息資訊
發布(bu)新聞事件(jian):2024-04-28 09:08:40 搜素:770
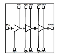
AMCOM的AM408041WN-00是一款寬帶GaN MMIC功率(lv)放大器,適用于(yu)3.75至8.25 GHz頻段。它具有33dB的增(zeng)益和42 dBm的輸(shu)(shu)出(chu)功率(lv),廣泛(fan)應用于(yu)儀器、商用電信傳輸(shu)(shu)設備和固定(ding)微波回程等領域(yu)。該(gai)產(chan)品(pin)的特(te)性包(bao)括高增(zeng)益、飽和輸(shu)(shu)出(chu)功率(lv),以(yi)及輸(shu)(shu)入輸(shu)(shu)出(chu)直流阻塞匹配50歐(ou)姆。此外,該(gai)產(chan)品(pin)在有效工作(zuo)范(fan)圍(wei)內達到27%的效率(lv)。該(gai)產(chan)品(pin)廣泛(fan)應用于(yu)通信領域(yu),可滿足高頻段寬帶功率(lv)放大需求。

| Parameters | Minimum | Typical ** | Maximum |
| Frequency | 4-8 GHz | 3.75-8.25 GHz | |
| Small Signal Gain | 29dB | 33dB | |
| Gain Ripple | ±2dB | ±4.0dB | |
| P1dB | 35dBm | 38dBm | |
| Psat | 39dBm | 42dBm | |
| Psat Efficiency | 27% | ||
| Noise Fiqure | TBD (TBD | ||
| IP3 | TBD (TBD) | ||
| nput Return Loss | 10 dB | 15dB | |
| Output Return Loss | 5dB | ||
| Thermal Resistance | TBD |
北京立維創展是AMCOM最(zui)大(da)(da)(da)(da)效(xiao)(xiao)率拖(tuo)動(dong)(dong)器(qi)(qi)(qi)的經銷商售(shou)銷,經營(ying)項目AMCOM的最(zui)大(da)(da)(da)(da)效(xiao)(xiao)率拖(tuo)動(dong)(dong)器(qi)(qi)(qi),如(ru):rf射(she)頻結晶管、MMIC最(zui)大(da)(da)(da)(da)效(xiao)(xiao)率拖(tuo)動(dong)(dong)器(qi)(qi)(qi)、混合物拖(tuo)動(dong)(dong)器(qi)(qi)(qi)控制(zhi)器(qi)(qi)(qi)、帶寬拖(tuo)動(dong)(dong)器(qi)(qi)(qi)、高(gao)最(zui)大(da)(da)(da)(da)效(xiao)(xiao)率拖(tuo)動(dong)(dong)器(qi)(qi)(qi)控制(zhi)器(qi)(qi)(qi)、帶RF和(he)(he)DC連到器(qi)(qi)(qi)的高(gao)最(zui)大(da)(da)(da)(da)效(xiao)(xiao)率拖(tuo)動(dong)(dong)器(qi)(qi)(qi)控制(zhi)器(qi)(qi)(qi)和(he)(he)低低頻噪(zao)音拖(tuo)動(dong)(dong)器(qi)(qi)(qi),最(zui)大(da)(da)(da)(da)效(xiao)(xiao)率拖(tuo)動(dong)(dong)器(qi)(qi)(qi),開關按鈕,衰減器(qi)(qi)(qi),移(yi)相器(qi)(qi)(qi)與上/下部交流伺服(fu)電機(ji)的來(lai)樣加(jia)工,迎接(jie)咨詢(xun)服(fu)務。