產業新聞資訊
推送日子:2024-04-22 09:28:29 瀏覽記錄:873
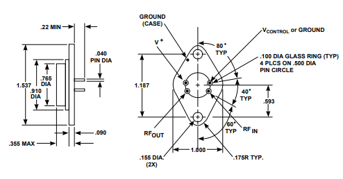
AGC-330是一款壓控放大器,由Teledyne公司生產。它采用了兩級薄膜雙(shuang)極(ji)射(she)頻放大器和具有0至5伏直流控制的(de)(de)PIN二(er)極(ji)管(guan)的(de)(de)組合。這種(zhong)設計使(shi)得(de)AGC-330能夠實(shi)現超過(guo)36 dB的(de)(de)增(zeng)益變(bian)化。電(dian)阻反饋(kui)確保了在(zai)不同溫(wen)度下的(de)(de)穩定增(zeng)益,并且通過(guo)使(shi)用旁路電(dian)容器和扼(e)流圈(quan)來(lai)對偏置輸入電(dian)壓進行(xing)射(she)頻保護(hu)。該(gai)放大器封裝(zhuang)在(zai)TO-3密(mi)封封裝(zhuang)中(zhong)。

以下是AGC-330的主要特性:
- 規律比率:5至300 MHz- 單包裝封- 寬AGC位置:36 dB(典例值)- 22 dB的增益值(典型案例值)AGC-330的主要應用包括:
- 開環或閉環把握增加收益把握- 接收入機轉換收獲管理- 壓力變送器轉換調平控制某些性質和利用更加AGC-330在普遍的頻射智能電子系統中存在核心的效果,舉例子安全可靠生產設備、雷達探測系統等。| Maximum Ratings | |
| Parameter | Maximum |
| DC Voltage | +17 Volts |
| Continuous RF Input Power | +13 dBm |
| Operating Case Temperature | -55 to +125℃ |
| Storage Temperature | -62 to +150℃ |
| “R”Series Burn-In Temperature | +125°℃ |
| Thermal Characteristicsl | |
| θ?c | 105/105°C/W |
| Active Transistor Power Dissipation | 105/180 mW |
| Junction Temperature Above Case Temperature | 11/19°℃ |
| Weight:(typical)14.5 grams | |
成(cheng)都市立維(wei)創展(zhan)科技(ji)欧美亚洲(zhou)一区(qu)-欧美激情(qing)一区(qu)-欧洲(zhou)一区(qu)二区(qu)-欧美激情(qing)一区(qu)二区(qu)是Teledyne防務(wu)自動(dong)化的代(dai)理商商,出示(shi)Teledyne防務(wu)網絡(luo)品牌包含LDMOS、GaN、GaAs和InP。Teledyne防務(wu)電子器(qi)材產品設(she)備線能(neng)夠寬(kuan)(kuan)頻(pin)段、窄帶、脈(mo)寬(kuan)(kuan)縮放器(qi),頻(pin)點1MHz~220GHz,公(gong)率mW~10kW,勝機推廣渠道提高Teledyne防務(wu)智能(neng)電子購貨(huo),喜(xi)歡網絡(luo)咨詢。
詳細(xi)信息學習Teledyne防(fang)務電商請(qing)打(da)開://www.gyzhkj.com/brand/46.html