服務行業快訊
披露日期:2024-03-12 17:12:21 閱(yue)覽:799
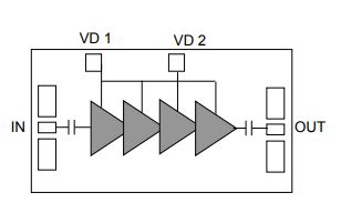
UMS的CHA2266-99F是款自偏置、低噪音分貝高增益控制驅使調大器。CHA2266-99F主耍經由Ku頻段的 VSAT 用途使用需求構思。集成電路芯片的腰背并且微波通信微波射頻和直流電壓接地系統。這促使于優化系統安裝控制的過程。
CHA2266-99F選擇特征提取GaAs pHEMT新工藝(yi)水平,掌握橫穿柔(rou)性(xing)板的通孔、氣橋和電子器件束柵星空刻水平。
CHA2266-99F以心片經濟模式展示(shi) 。

主要的特性
寬帶網(wang)性(xing)能方面12.5-17GHz
2.5dB相位噪(zao)聲(sheng)源
34dB增(zeng)加收益(yi)值(zhi),+/-0.5dB增(zeng)益(yi)控制值(zhi)平(ping)整(zheng)光滑度
低直流(liu)電基(ji)本功(gong)能損耗費(fei):130mA
飽(bao)和(he)狀態的輸出工作效率:16dBm
封裝(zhuang)形式(shi)圖片尺寸2.32 x 1.02 x 0.1mm
佛山市立維創展科(ke)技產業(ye)有限裝修公司英文裝修公司認證經銷(xiao)處(chu)UMS紅(hong)外(wai)光,重視(shi)部份型號規格的UMS商品(pin)展示 優秀的現貨黃金商品(pin)存(cun)儲,歡迎辭網絡咨詢(xun)。