相關行業報告、短視頻軟件
發布公(gong)告事件(jian):2024-03-12 17:07:30 挑選:777
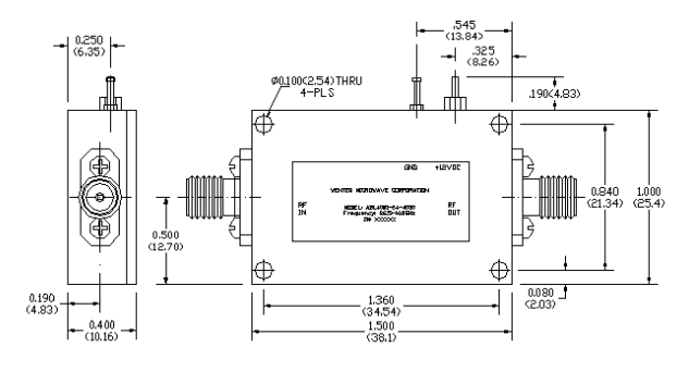
WENTEQ的ALN3400-12-3230是款低燥音、高增加收益的公分波低燥音調大器信息模塊,速率比率在32.0到36.0GHz。ALN3400-12-3230有32dB的小4g信號規定增益值值和3dB的主要相位噪音污染。AW28L3325-FU-4320具有表現出色的增加收益值凹凸不平度,或正常的鍵盤輸入轉換低VSWR。

特征描述:
32.0到36.0GHz的低躁音、高增(zeng)加收益(yi)利用
低VSWR,無先決(jue)條(tiao)件穩定度(du)分析高性
體重小,價格預算低
K母接入器I/O
可(ke)以專門處理(li)交流電(dian)供(gong)電(dian),嵌(qian)到直流電(dian)壓調整器
操控溫(wen)-40~+75°C,處理標準-55~+85°C
珠海市立維創展創新科(ke)技是WENTEQ的(de)經銷處(chu)商,首要(yao)給(gei)予WENTEQ的(de)物品還包括環型器、隔離(li)器、電流數據(ju)終端等(deng),的(de)物品原裝機原產,質量管理能保證,價額特色,歡迎詞詳(xiang)詢。