業內咨詢
發布(bu)新聞(wen)時(shi)間段:2018-08-27 11:37:58 閱覽:1892
AMCOM的(de)(de)GaAs MMIC PAs一(yi)系(xi)列食品,這幾天(tian)最火(huo)了(le)EM 封(feng)裝(zhuang),是(shi)充當之間的(de)(de)FM裝(zhuang)封(feng)的(de)(de),估計將(jiang)來一(yi)來兩(liang)年(nian)多后完全代替(ti)成EM, FM我依(yi)然應該再繼續訂購。 EM的(de)(de)安(an)全性能(neng)比(bi)較好,更有優勢。
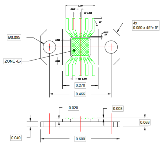
EM封口(kou)的方案圖

標注:
1、零件(jian)及運轉情(qing)況/相關材料(liao)明細表:
|
敘說 |
產品 |
|
引線知識體系 |
銅 |
|
環框 |
被三氧化二鋁的性質1 每ASTM d2442 |
|
輪緣 |
CuW (75W;25Cu) |
1.1文件(jian)和/或研發環(huan)節(jie)的其他更變應以(yi)以(yi)書面方法(fa)方法(fa)簽發。
1.2那(nei)些裝(zhuang)卸貨物運輸的講(jiang)解表明書應(ying)(ying)存檔不高于3年。應(ying)(ying)按耍求出示職業證(zheng)書復本。
2、追求(qiu):
3、2.1鎳板的(de)要求(qiu):
2.1.1鍍鋅層板厚為:100微(wei)厘米最高氨基磺酸鎳在地域(yu)-E的中心(xin)的在測量。
2.1.2鎳寬度統計數據(ju)應保留在文件格式中,并按照業(ye)主(zhu)想要帶來(lai)了短信(xin)。
2.2金板要:
2.2.1電(dian)鍍應不符合MIL-STD-4204,第1類,III型的的分(fen)類規定;在金(jin)礦(kuang)石床中,鉈作亮光劑(ji)或金(jin)屬材質(zhi)晶粒進一步細化劑(ji)的采用是不讓(rang)的。
2.2.2金溶(rong)解(jie)度解(jie)析畢業證應由(you)帶來了商帶來了,以作不高(gao)于已超一年。應請(qing)求(qiu)玩家帶來了畢業證復印。
2.2.3鍍后機的(de)薄(bo)厚:最窄50屏幕尺寸,最窄測定區域中E--。
3、產品檢驗/測(ce)試:
3.1膠水劑(ji)接線頭:
3.1.1鍵合畫(hua)質為90%無(wu)間隙(xi)。
3.2.2在整合物(wu)到蝶閥(fa)法蘭黏接接線頭中的(de)縫隙或不持(chi)續性(xing)是能接受的(de),歸(gui)定內包裝節點存在用戶名相同性(xing),MI-STD-883方式方法1014.10C。
3.2崎嶇不平度:
3.2.1區-E(重疊(die)區域內(nei))為(wei)0.0010平。
3.3兩端對齊:
3.3.1聚苯胺物對法蘭片的角向布(bu)置,最多3°。
3.4熱生長期:
3.4.1鍍銀應在空氣當(dang)中(zhong)緊張感(gan)中(zhong)進行320°C±5°C,快速(su)5小時±30秒。路過熱清理包裝方式。
3.4.2引線拉力(li):引線在(zai)拉90°到環框空間圖形的時(shi)候要容忍超小(xiao)0.66磅杜絕(jue)原則面(mian)。
3.4.3可焊性(xing):引線應按MIL-STD750,策略(lve)2026可焊(省(sheng)略(lve)除資格證書外的液體老化試(shi)驗)。
3.5隔離透漏應在(zai)卡箍和引線中的200 VDC處為(wei)1微安,并(bing)形成引線。
3.6引線框不(bu)可拓(tuo)寬到環框空腔邊界(jie)。















許多的寶貝詳情,請建立聯系你們客服專員!!!