制造行業房產資訊
上架準確時間:2022-05-20 17:10:16 閱覽:2000
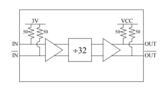
DV032是EUVIS的16針3x3mm塑料QFN高速封裝除以32靜態分頻器。由于輸入靈敏度高,輸出相位噪聲低,小規格尺寸,DV032廣泛應用于電訊、儀器儀表、無線電/雷達等領域。DV032接收0.2GHz(正弦波、直流方波)14GHz輸入頻率,需要一個 5V的單電源。

注意的特點
?0.2-14GHz網絡帶寬
?低相位躁聲:-140 dBc/Hz
?高投入機靈度:-25 dBm
?輸送波動:800 mVp-p(差分)
?差動進入和的輸出
?50? 插入/轉換輸出阻抗
?單電原:+5V
?感應電流耗損:72mA
?16針3x3mm塑膠板材QFN封裝
蘇州市立維創展科學是EUVIS的地區代理經銷處商,主耍供給EUVIS的全國知名的飛速數模互轉DAC、會號碼概率組成器DDS、重復使用DAC的集成塊級食品,和高速度抓取板卡、動態數據波形圖突發器等食品,原裝機外盤,售價特點,邀請詳詢。
信息清楚EUVIS請彈窗://www.gyzhkj.com/brand/24.html