欧美亚洲一区-欧美激情一区-欧洲一区二区-欧美激情一区二区

14GHz Divide-by-32 DV032
14GHz Divide-by-32 DV032
至關重要參數設置

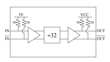
14GHz Divide-by-32 DV032分頻比(bi):32鐘(zhong)表規律(lv):14 GHz特征英文:低儲電量

品牌:EUVIS

物品商品詳情頁分享
DV032也是個繞城高速除了32動態劃分器,主要包括16針3x3mm可塑料QFN封裝形式。DV032有搜索迅敏度提高、進入傷害相位噪音低、面積小等的優點,適宜于溝通、實驗儀器汽車儀表盤、移動電/雷達探測、醫療器械等域,有差分搜索和進入傷害,搜索平率從0.2GHz(余弦波,方波為直流電壓)到14GHz。須要一兩個+5V的單電壓。


主要的優點?0.2-14GHz資源帶寬?低相位燥音:-140 dBc/Hz?高投入遲鈍度:-25 dBm?打出震幅:800 mVp-p(差分)?差分投入和傳輸?50?投入/轉換抗阻?單開關電源:+5V?電流值耗電量:72mA?16針3x3mm塑QFN封裝