產業信息
發布了(le)時(shi)段:2018-07-11 15:05:17 瀏(liu)覽記錄(lu):2035
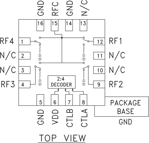
HMC345ALP3E是一款寬帶非反射GaAs MESFET SP4T開關,采用低成本無引腳表貼封裝。該開關頻率范圍為DC至8 GHz,具有高隔離和低插入損耗。立維創展該開(kai)關還集(ji)成了板載二進制解碼電(dian)路,將所(suo)需(xu)(xu)邏輯控制線(xian)減至兩條。該開(kai)關采用0/+5V正控制電(dian)壓工作,所(suo)需(xu)(xu)固定偏置為+5V。
*端口RFC和RF1、2、3和4需配有隔直電容。它們的值決定最低傳輸頻率。
若您有任何人疑問句,請去聯系我立維創展,我會盡上限奮發努力為您安全服務。
品牌
型號
描述
貨期
庫存
ADI
HMC345ALP3E
HMC345ALP3ETR
GaAs MMIC SP4T非反射式正控制開關,DC* - 8 GHz
現貨
112
HMC345ALP3E應(ying)用(yong)
該面板開關選用作DC - 8.0 GHz 50 Ω或75 Ω系統:
HMC345ALP3E優勢和特點
HMC345ALP3E結構圖
