欧美亚洲一区-欧美激情一区-欧洲一区二区-欧美激情一区二区

AM132740MM-EM-R L/S波段寬帶功率放大器
AM132740MM-EM-R L/S波段寬帶功率放大器
比較重要參數指標

頻率:1.3-2.7GHz

增益值26

P1dB(DBM):38

PSAT(DBM)39

效應30

VD(V)14

品牌:AMCOM

新產品詳細信息講述

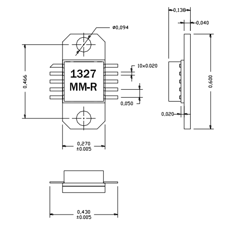
AM132740MM-BM/EM/FM-R是砷化鎵HiFET MMIC輸出功率變成器產品系列的是一種個部分。它是一種個2級GaAs-HIFET-MESFET-MMIC效率縮放器,作業工作標準電壓14V,投入和級間適應網路網絡覆蓋1.3~2.7GHz。MMIC內容輸出要方面外部結構適合以涵蓋1.3GHz到2.7GHz。它的增加收益為26dB,14V時輸出馬力為38dBm。該MMIC適用陶瓷廠家封口,在較低的封口檔次有RF和DC五條引線,以便于將低人工成本的SMT拆卸到PC板上。當馬上進行安裝到印刷版電路系統板上時,請參閱操作這說明AN700。是由于高直流電壓顯卡功耗,各位激烈推薦將此類機械可以配置在金屬散熱性能片上。AM132740MM-FM-R是裝有在渡金銅活套法蘭固定支架上的AM132740MM-BM-R。EM封裝類型與FM封裝類型更具雷同的征占面積,用到直高壓導線和銅/鎢法蘭部部片當做銅法蘭部部片。法蘭部部片有這兩個螺孔,易于擰到五金水冷器上。你這個MMIC是適合RoHS的。

的特征

頻率應用超范圍:1.3至2.7GHz

高輸出熱效率,P1dB=38dBm

高增益控制>22dB

從1.3GHz到2.7GHz篩選的輸人

經過優化內容輸出配備,可不可以重疊某個1.3GHz到2.7GHz頻段

app

PCS通信基站

GPS應用領域

MMDS

手機無線無線局域網中繼器

14V用