欧美亚洲一区-欧美激情一区-欧洲一区二区-欧美激情一区二区

AM103026MM-EM-R L/S波段寬帶功率放大器
AM103026MM-EM-R L/S波段寬帶功率放大器
非常重要因素

頻率:0.9-3.2GHz

增益值22

P1dB(DBM)25

PSAT(DBM)26

能力10

VD(V)14

品牌:AMCOM

食品祥情介紹

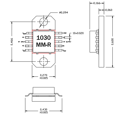
AM103026MM-BM/EM/FM-R是偏置在14V的砷化鎵HiFET MMIC電率調小器編的是一組成部分,它在0.8到3.6GHz頻譜有22dB的增益控制和26dBm的打印輸出功效。該MMIC是一個個陶瓷圖片打包封口,微波射頻和直流電引線都有打包封口的較低境界,事先于成本低的預算的SMT折裝到PC板上。當簡單按裝到彩色印刷電線板上時,請參閱運用說明書AN700。會因為高整流功耗測試,小編強小編建議將哪些生產設備直接的進行安裝在不銹鋼熱管翅片上。AM103026MM-FM-R是怎么安裝在鍍銀銅法蘭片固定支架上的AM103026MM-BM-R。EM封口與FM封口具備著一模一樣的拆遷賠償綠地面積,運用直高壓導線和銅/鎢卡箍當做銅卡箍。卡箍上面兩只螺孔,利于擰到廢金屬熱量散發器上。這位MMIC是符合國家RoHS的。

特性

從0.8到3.6GHz的光纖寬帶

高輸出的額定功率,P1dB=26dBm

高增益值,22dB

根本輸入;50歐姆輸進/所在特性阻抗

采用

PCS基站設備

儀盤表

增益值塊