重慶稻(dao)城海子山,大概地(di)形4410米。曾經(jing)人(ren)跡罕至的(de)(de)問題,另(ling)一(yi)個周圍1.36平(ping)小(xiao)多公里(li)的(de)(de)檢測陣列也正在(zai)夾緊按(an)照,近萬個檢測器將一(yi)探世(shi)經(jing)之謎——較高能星球線興起(qi)。
去年的(de)6月19日(ri),國(guo)巨大科技(ji)發展(zhan)基本項目(mu)建(jian)設高氣溫(wen)星體線(xian)測(ce)量站(zhan)(LHAASO),加入密集安裝(zhuang)程序(xu)一階段(duan)。中(zhong)國(guo)國(guo)家數字化發明(ming)的(de)2270只(zhi)高日(ri)子辨別(bie)好壞率的(de)光電(dian)服務科技(ji)增倍(bei)管將在(zai)該(gai)模(mo)式中(zhong)充分利用重點意義(yi)。與此(ci)互相(xiang),數千里之中(zhong)的(de)江門市中(zhong)微(wei)(wei)子考試園區也(ye)是了10000只(zhi)國(guo)內20英尺微(wei)(wei)通暢(chang)板型(xing)光電(dian)服務科技(ji)增倍(bei)管,其檢測(ce)有(you)效率對數正(zheng)態分布達到30%及以上,成功的(de) 掌控歐(ou)洲累似服務品(pin)質。
光電材料公(gong)(gong)司(si)公(gong)(gong)司(si)飆升管是(shi)大能(neng)工具實(shi)驗所的(de)要素代用部件,被譽為中(zhong)(zhong)微子實(shi)驗所中(zhong)(zhong)系統含(han)鐵最低(di)、最要素的(de)元(yuan)元(yuan)器(qi)件封(feng)裝中(zhong)(zhong)的(de)一個(ge)。迄今為止,中(zhong)(zhong)國(guo)國(guo)家(jia)已突破國(guo)際攜手(shou)共進(jin)的(de)行業(ye)壟斷,成就生產(chan)問世界(jie)頂級的(de)高(gao)性20寸大微入口通(tong)道(dao)板型光電材料公(gong)(gong)司(si)公(gong)(gong)司(si)飆升管,滿足(zu)了(le)中(zhong)(zhong)國(guo)國(guo)家(jia)大有效工程建設(she)的(de)“卡鎖骨”故障,統籌推進(jin)高(gao)壓氣(qi)光電材料公(gong)(gong)司(si)公(gong)(gong)司(si)偵測元(yuan)元(yuan)器(qi)件封(feng)裝文化產(chan)業(ye)的(de)個(ge)性化控制高(gao)效果(guo)量成長。

(光電子增長管陣列)
而(er)全國(guo)江門(men)市開(kai)平市,地底下700米最(zui)深處。這(zhe)兒將(jiang)要(yao)規劃一(yi)間(jian)超大(da)地底下中微子試(shi)(shi)(shi)探實(shi)驗室,如同(tong)科幻大(da)影(ying)片中的(de)未(wei)來(lai)的(de)發展地球:這(zhe)個網(wang)套(tao)(tao)內尺寸(cun)35米球型的(de)試(shi)(shi)(shi)探器,內 外(wai)部(bu)(bu)是2億立方(fang)米合理的(de)介質一(yi)閃一(yi)閃體(ti), 外(wai)部(bu)(bu)網(wang)套(tao)(tao)內尺寸(cun)為40米的(de)鋼結構建筑的(de)上配有20000只(zhi)20屏(ping)幕尺寸(cun)和25000只(zhi)3屏(ping)幕尺寸(cun)光電公司增(zeng)漲管,上述所說形成的(de)試(shi)(shi)(shi)探器浸入在網(wang)套(tao)(tao)內尺寸(cun)為43米的(de)圓錐形體(ti)里。
中有(you)微子進去圓(yuan)(yuan)圓(yuan)(yuan)形(xing)遙測(ce)器(qi)(qi),在非(fei)線性烷(wan)基苯(ben)是以的(de)(de)固態忽閃體中,就會以小的(de)(de)概率公(gong)式發生(sheng)β衰變(bian),放出最為絢爛的(de)(de)光。而圓(yuan)(yuan)圓(yuan)(yuan)形(xing)遙測(ce)器(qi)(qi)外(wai)界(jie)的(de)(de)光電技術增漲(zhang)器(qi)(qi)猶(you)如“變(bian)成鏡(jing)”,快速拍攝(she)到絢爛的(de)(de)光并(bing)圖片轉(zhuan)換(huan)為聯通(tong)號變(bian)成輸入,才能夠(gou)遙測(ce)到鬼影般中微子的(de)(de)行蹤。
中(zhong)微(wei)子(zi)(zi)(zi)(zi)是個新奇莫測的(de)東西。最遲,人工看來組成部(bu)分有機化合物全世(shi)界的(de)最窄廠家是原子(zi)(zi)(zi)(zi)核結構。到(dao)20時(shi)代初,科學研究家們得知,原子(zi)(zi)(zi)(zi)核結構是由質子(zi)(zi)(zi)(zi)、中(zhong)子(zi)(zi)(zi)(zi)和(he)智能組成部(bu)分。到(dao)現在(zai),人體又了解,更小(xiao)的(de)基本的(de)塑料顆(ke)粒(li)是夸克(ke)和(he)輕子(zi)(zi)(zi)(zi)。中(zhong)微(wei)子(zi)(zi)(zi)(zi)就歸屬于輕子(zi)(zi)(zi)(zi)。
十(shi)多新年前,中(zhong)全國(guo)地(di)人學(xue)(xue)科(ke)(ke)院教授、中(zhong)全國(guo)地(di)人學(xue)(xue)科(ke)(ke)院高激(ji)光(guang)物理上(shang)的分(fen)析(xi)所(suo)站(zhan)長(chang)王貽芳也有(you)了一位大膽(dan)露的方法,主(zhu)要采用全國(guo)自(zi)主(zhu)研發204厘米(mi)光(guang)電(dian)材(cai)(cai)料科(ke)(ke)技(ji)材(cai)(cai)料凈(jing)(jing)增(zeng)管(guan)建(jian)造陽(yang)江(jiang)中(zhong)微子實驗產業園(yuan),并說出(chu)了新式光(guang)電(dian)材(cai)(cai)料科(ke)(ke)技(ji)材(cai)(cai)料凈(jing)(jing)增(zeng)管(guan)的國(guo)家專(zhuan)利(li)設計的概念方式。同時,建(jian)立這(zhe)家方法仍然比分(fen)析(xi)中(zhong)微子更好難度。如今,全國(guo)僅能(neng)產量(liang)24厘米(mi)有(you)以下小寸尺光(guang)電(dian)材(cai)(cai)料科(ke)(ke)技(ji)材(cai)(cai)料凈(jing)(jing)增(zeng)管(guan),生產成(cheng)本上(shang)沒法使(shi)用,特(te)點(dian)上(shang)也距讓甚遠(yuan)。
“澳大利亞濱松企業(ye)自然(ran)壟斷了全.球(qiu)90%以下(xia)的光(guang)電(dian)技(ji)(ji)(ji)術(shu)(shu)科技(ji)(ji)(ji)飆升管行業(ye)市場市占率(lv),高品(pin)質食(shi)品(pin)對國外是(shi)技(ji)(ji)(ji)木工藝(yi)禁封。”西北夜視技(ji)(ji)(ji)木工藝(yi)持股(gu)不足企業(ye)北京分企業(ye)總管理師孫建寧(ning)悲(bei)哀地講(jiang)究。假如國外不會產出大厚度(du)、高耐熱性光(guang)電(dian)技(ji)(ji)(ji)術(shu)(shu)科技(ji)(ji)(ji)飆升管,一切都(dou)是(shi)都(dou)將受限于人。
200八年,國(guo)內在惠陽大亞灣建沒中(zhong)微(wei)子實驗室。使用到的2000多個8屏幕尺寸微(wei)電子翻番管,全不由(you)美利(li)堅(jian)共和國(guo)合作的者從濱松子公司消(xiao)費。
與之(zhi)不同之(zhi)處,上時代80年,日本(ben)地區(qu)神(shen)岡(gang)中微子檢測(ce)室運用(yong)的(de)(de)是(shi)濱松單位20厘(li)米(mi)光(guang)電技(ji)(ji)(ji)術材料科(ke)技(ji)(ji)(ji)凈增管。該檢測(ce)室資金投入利(li)用(yong)十八大(da)以來,演變了幾項諾貝爾(er)熱學(xue)(xue)(xue)學(xue)(xue)(xue)獎。人無遠慮,利(li)其器。20厘(li)米(mi)光(guang)電技(ji)(ji)(ji)術材料科(ke)技(ji)(ji)(ji)凈增管為隨著我國大(da)電磁(ci)學(xue)(xue)(xue)學(xue)(xue)(xue)合理(li)(li)水利(li)需(xu)求(qiu)攻(gong)陷的(de)(de)壁(bi)壘。201在一年,由我們電磁(ci)學(xue)(xue)(xue)學(xue)(xue)(xue)合理(li)(li)院(yuan)(yuan)源(yuan)能熱學(xue)(xue)(xue)科(ke)學(xue)(xue)(xue)科(ke)研(yan)所(suo)領導,南方夜(ye)視技(ji)(ji)(ji)木資產(chan)限制(zhi)單位、中科(ke)院(yuan)(yuan)科(ke)學(xue)(xue)(xue)研(yan)究院(yuan)(yuan)所(suo)杭州光(guang)學(xue)(xue)(xue)反應精密模具機(ji)誡科(ke)學(xue)(xue)(xue)科(ke)研(yan)所(suo)、中核把握系統化(hua)資產(chan)限制(zhi)單位和常(chang)州上大(da)學(xue)(xue)(xue)等構成大(da)寸(cun)尺微清算(suan)通道(dao)板型(xing)光(guang)電技(ji)(ji)(ji)術材料科(ke)技(ji)(ji)(ji)凈增管科(ke)技(ji)(ji)(ji)成果轉(zhuan)化(hua)相(xiang)互合作組。
所經歷經四(si)年(nian)的(de)(de)(de)技(ji)藝(yi)創新(xin)(xin),非常成功研(yan)發出適宜于(yu)大(da)科學有效市政工(gong)(gong)(gong)程(cheng)安全裝置中微子偵測用20英(ying)(ying)(ying)尺(chi)高耐(nai)腐蝕性(xing)微路(lu)入(ru)口通(tong)道板型光(guang)電培(pei)(pei)增管。該類(lei)(lei)產(chan)(chan)(chan)品(pin)(pin)(pin)(pin)類(lei)(lei)產(chan)(chan)(chan)品(pin)(pin)(pin)(pin)類(lei)(lei)產(chan)(chan)(chan)品(pin)(pin)(pin)(pin)總體耐(nai)腐蝕性(xing)符合亞太(tai)領先含(han)量,這(zhe)里面方面指(zhi)數英(ying)(ying)(ying)文(wen)大(da)于(yu)亞太(tai)同行(xing)業(ye)。“加(jia)快光(guang)電培(pei)(pei)增管的(de)(de)(de)偵測的(de)(de)(de)工(gong)(gong)(gong)作(zuo)速(su)率(lv)(lv)(lv)是(shi)最(zui)價值(zhi)體系(xi)(xi)的(de)(de)(de)的(de)(de)(de)技(ji)藝(yi)最(zui)為,它比如量子的(de)(de)(de)工(gong)(gong)(gong)作(zuo)速(su)率(lv)(lv)(lv)和獲取的(de)(de)(de)工(gong)(gong)(gong)作(zuo)速(su)率(lv)(lv)(lv)這(zhe)兩個(ge)方面。比較英(ying)(ying)(ying)國(guo)近年(nian)來采(cai)取的(de)(de)(de)民(min)俗五金(jin)打拿(na)極型光(guang)電培(pei)(pei)增管培(pei)(pei)增方試,你們采(cai)取微路(lu)入(ru)口通(tong)道板作(zuo)智能(neng)培(pei)(pei)增系(xi)(xi)統(tong)化來完成智能(neng)變成,智能(neng)獲取的(de)(de)(de)工(gong)(gong)(gong)作(zuo)速(su)率(lv)(lv)(lv)符合98%上(shang)面的(de)(de)(de),因此絕(jue)對在量子的(de)(de)(de)工(gong)(gong)(gong)作(zuo)速(su)率(lv)(lv)(lv)幾乎相(xiang)等于(yu)的(de)(de)(de)狀態下,偵測的(de)(de)(de)工(gong)(gong)(gong)作(zuo)速(su)率(lv)(lv)(lv)趕超(chao)英(ying)(ying)(ying)國(guo)相(xiang)似類(lei)(lei)產(chan)(chan)(chan)品(pin)(pin)(pin)(pin)類(lei)(lei)產(chan)(chan)(chan)品(pin)(pin)(pin)(pin)類(lei)(lei)產(chan)(chan)(chan)品(pin)(pin)(pin)(pin)。”孫(sun)建寧介紹,你們還研(yan)發了市場上(shang)很大(da)的(de)(de)(de)高正空轉入(ru)類(lei)(lei)產(chan)(chan)(chan)品(pin)(pin)(pin)(pin),還調查一個(ge)多類(lei)(lei)產(chan)(chan)(chan)品(pin)(pin)(pin)(pin)系(xi)(xi)列加(jia)快類(lei)(lei)產(chan)(chan)(chan)品(pin)(pin)(pin)(pin)類(lei)(lei)產(chan)(chan)(chan)品(pin)(pin)(pin)(pin)類(lei)(lei)產(chan)(chan)(chan)品(pin)(pin)(pin)(pin)的(de)(de)(de)技(ji)藝(yi)指(zhi)數英(ying)(ying)(ying)文(wen)的(de)(de)(de)新(xin)(xin)的(de)(de)(de)技(ji)藝(yi),如低牽扯性(xing)本底的(de)(de)(de)技(ji)藝(yi),高增加(jia)收益、長質(zhi)保(bao)期等。
各種優(you)于設(she)計(ji)(ji)中(zhong)(zhong)微子(zi)(zi),海子(zi)(zi)山(shan)中(zhong)(zhong)的(de)(de)(de)LHAASO觀(guan)(guan)察站,瞄向的(de)(de)(de)是(shi)銀(yin)河(he)(he)(he)系(xi)線(xian)(xian)興(xing)起。銀(yin)河(he)(he)(he)系(xi)線(xian)(xian)挾帶著銀(yin)河(he)(he)(he)系(xi)興(xing)起、天體衍變等經濟波(bo)動(dong)資料,是(shi)傳接“銀(yin)河(he)(he)(he)系(xi)大(da)事兒件”的(de)(de)(de)信使。自(zi)1915年銀(yin)河(he)(he)(he)系(xi)線(xian)(xian)被找到至今以(yi)來,人類進化總(zong)是(shi)未找到它(ta)的(de)(de)(de)興(xing)起,將成(cheng)(cheng)為(wei)“新時(shi)代之謎”。中(zhong)(zhong)國(guo)國(guo)合理(li)院高(gao)激光(guang)(guang)(guang)力(li)學設(she)計(ji)(ji)所副設(she)計(ji)(ji)員高(gao)博的(de)(de)(de)介紹說,LHAASO觀(guan)(guan)察站中(zhong)(zhong)間是(shi)個“大(da)水盆(pen)”——包(bao)括3000個測(ce)(ce)探(tan)模塊的(de)(de)(de)切倫科夫測(ce)(ce)探(tan)器。高(gao)用(yong)時(shi)辯(bian)別率的(de)(de)(de)光(guang)(guang)(guang)電技術能力(li)材料翻(fan)番(fan)(fan)管(guan)要(yao)對(dui)單光(guang)(guang)(guang)量子(zi)(zi)等級的(de)(de)(de)光(guang)(guang)(guang)的(de)(de)(de)信號做好設(she)計(ji)(ji),捕到到水盆(pen)空(kong)中(zhong)(zhong)臭氧層的(de)(de)(de)各個方面(mian)個高(gao)激光(guang)(guang)(guang)伽馬光(guang)(guang)(guang)譜線(xian)(xian)的(de)(de)(de)行(xing)跡,導(dao)致(zhi)設(she)計(ji)(ji)高(gao)激光(guang)(guang)(guang)銀(yin)河(he)(he)(he)系(xi)線(xian)(xian)的(de)(de)(de)存在工(gong)作(zuo)機制(zhi)(zhi)。2016年6月,我(wo)國(guo)自(zi)主經營研制(zhi)(zhi)成(cheng)(cheng)功(gong)的(de)(de)(de)的(de)(de)(de)高(gao)用(yong)時(shi)辯(bian)別率20寸大(da)微入口板型光(guang)(guang)(guang)電技術能力(li)材料翻(fan)番(fan)(fan)管(guan)正式的(de)(de)(de)興(xing)起,其極具渡越用(yong)時(shi)離(li)散小、用(yong)時(shi)同樣(yang)性(xing)好、暗背(bei)景噪(zao)聲小等特質(zhi)。2016年九月,南(nan)方夜視(shi)能力(li)股票(piao)價格不多裝修公司成(cheng)(cheng)功(gong)的(de)(de)(de)中(zhong)(zhong)標(biao)單位LHAASO工(gong)作(zuo)大(da)面(mian)積光(guang)(guang)(guang)電技術能力(li)材料翻(fan)番(fan)(fan)管(guan)全(quan)部交易。
“在(zai)20厘米微綠色通道板(ban)型光(guang)電(dian)子(zi)材料(liao)科技培增管(guan)的(de)(de)(de)新技術基本條件(jian)上,我們都(dou)依照天(tian)體測探,也可是(shi)LHAASO樓盤的(de)(de)(de)消費需求,制(zhi)造出了高時長辯(bian)(bian)(bian)別率的(de)(de)(de)光(guang)電(dian)子(zi)材料(liao)科技培增管(guan)。”孫建寧(ning)說,時長辯(bian)(bian)(bian)別率是(shi)對光(guang)手機信號去往光(guang)電(dian)子(zi)材料(liao)科技培增管(guan)時長的(de)(de)(de)精(jing)確(que)度校(xiao)正(zheng)誤差,時長辯(bian)(bian)(bian)別率越(yue)高,就能(neng)對伽(jia)馬(ma)放(fang)射性(xing)元素的(de)(de)(de)朝向精(jing)確(que)度校(xiao)正(zheng)越(yue)精(jing)確(que)度。
在(zai)許(xu)多茶葉市場,光電科(ke)技(ji)(ji)材(cai)(cai)料(liao)材(cai)(cai)料(liao)科(ke)技(ji)(ji)飆(biao)升管(PMT)既(ji)用(yong)在(zai)膽因(yin)醇(chun)電磁(ci)學,也用(yong)在(zai)核醫(yi)學專業、核工(gong)業史詩(shi)裝備、光譜分(fen)析檢測等適用(yong),其光電科(ke)技(ji)(ji)材(cai)(cai)料(liao)材(cai)(cai)料(liao)科(ke)技(ji)(ji)負極(ji)(ji)(ji)中(zhong),較早(zao)制(zhi)(zhi)造的(de)(de)智(zhi)(zhi)(zhi)能無(wu)線經(jing)過(guo)KV級的(de)(de)不低于(yu)電勢(shi)加速器(qi),制(zhi)(zhi)造較高的(de)(de)組(zu)織結構增加收(shou)益。這(zhe)種(zhong)電勢(shi)差使智(zhi)(zhi)(zhi)能無(wu)線擊中(zhong)飆(biao)升管點擊率(lv),因(yin)此制(zhi)(zhi)造次(ci)級智(zhi)(zhi)(zhi)能無(wu)線,經(jing)過(guo)在(zai)最后一(yi)(yi)級通過(guo)成績(ji)飆(biao)升合計的(de)(de)光電科(ke)技(ji)(ji)材(cai)(cai)料(liao)材(cai)(cai)料(liao)科(ke)技(ji)(ji)流為(wei)放小器(qi)預(yu)警,終極(ji)(ji)(ji)被陽(yang)極(ji)(ji)(ji)回收(shou)利(li)用(yong)。陽(yang)極(ji)(ji)(ji)回收(shou)利(li)用(yong)的(de)(de)光電科(ke)技(ji)(ji)材(cai)(cai)料(liao)材(cai)(cai)料(liao)科(ke)技(ji)(ji)流一(yi)(yi)樣傳送到跨阻(zu)放小器(qi),將感應電流改(gai)變(bian)為(wei)電阻(zu)進的(de)(de)一(yi)(yi)步放小。

在迄今為止的兼容(rong)性測試交流供電用(yong)(yong)電中,有(you)用(yong)(yong)交流供電功能,具備多(duo)方面毛病:
1. 電源效率低(di),同時發熱量大;
2. 產品體積大(da),可靠性(xing)低,無(wu)法滿足高端(duan)應用(yong);
如國際進口的企業的光電商(shang)品(pin)增長管如此,大家如要變(bian)現更多的性能的商(shang)品(pin)表現,則要突(tu)出注意高壓變(bian)壓器(qi)24v電源模組哪一元(yuan)件。
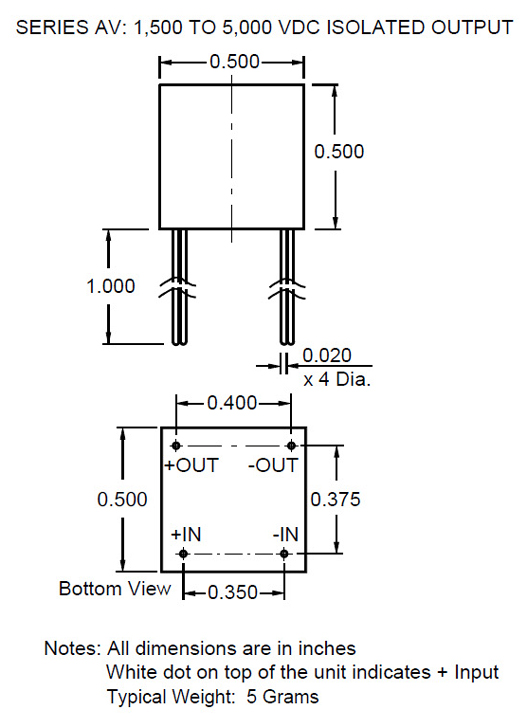
新(xin)西蘭PICO裝修(xiu)公司供(gong)應高靠(kao)普DC-DC直(zhi)流電(dian)(dian)(dian)24v電(dian)(dian)(dian)源模(mo)塊電(dian)(dian)(dian)源設備國(guo)產,簡單(dan)做到1500~10KVdc填寫,密度(du)僅(jin)0.500" x 0.500" x 0.500",質(zhi)量僅(jin)為(wei)5g,填寫電(dian)(dian)(dian)阻(zu)值領(ling)域(yu)包(bao)擴5, 12, 15, 24, 28, 和48 Vdc,填寫電(dian)(dian)(dian)阻(zu)值高精度(du)±3%,設備滿足(zu)美國(guo)空軍標MIL-STD 883,不(bu)用辦(ban)理另外cpu導熱管(guan),平衡事情(qing)領(ling)域(yu)-55℃ to +125℃ 。
PICO為光電(dian)增倍管程(cheng)(cheng)序打造最優的(de)主機開關電(dian)源(yuan)包(bao)(bao)塊(kuai)適(shi)配(pei),一同PICO的(de)髙壓主機開關電(dian)源(yuan)包(bao)(bao)塊(kuai)企業(ye)產(chan)品,可建議用到雷達天線、機載程(cheng)(cheng)序等苛求情況。

2英文
用例子