2500-4500 MHz Directional Coupler

微波加熱元元件
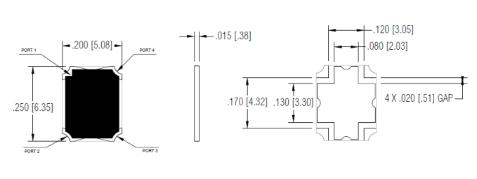
Q10HF-3500S定向生(sheng)交(jiao)叉耦(ou)合(he)器規律:2.5 – 4.5 GHz耦(ou)合(he)電(dian)路:10dB±1.5dB對準性:16dB駐(zhu)波比:1.2:1加(jia)入耗費:0.3dB工率(lv):150瓦(wa)估評板722-0006-01-E01購貨時間段:6-8周(zhou)
2500-4500 MHz Directional Coupler
