欧美亚洲一区-欧美激情一区-欧洲一区二区-欧美激情一区二区
歡迎詞來東莞市立維創展科技發展十分有限單位官網手機系統!
中文名
24H業務電話 0755-83050846 / 83039348
搜索
欧美亚洲一区-欧美激情一区-欧洲一区二区-欧美激情一区二区
Home
關于我們
About
微波元器件
Microwave
AMCOM
CUSTOM MMIC
RF-LAMBDA
QORVO
MACOM
SOUTHWEST
NOVA射頻微波
KRYTAR
Aeroflex-API Tech
Anaren
Anritsu
RADITEK
North Hills
Synergy微波
WENTEQ
MITEQ
Marki
RF-Labs
ADI
CREE
UMS微波
PULSAR微波
MegaPhase
JDSU光纖測試
AMG-Microwave
Ironwood
Teledyne防務電子
HEROTEK
ARRA
MCLI
Leadway
CERNEX
Mi-Wave
ATM Microwave(L-3)
UTE Microwave
NEL Frequency Controls
API SAW Oscillators
SemiGen
KR Electronics
MECA
Electro-Photonics
RLC Electronics
JUPITER(Canada)
?IPP
電源模塊
Power
PICO
Cyntec乾坤
GAIA
VICOR
LINEAR
ARCH
SynQor
TOREX
SILERGY矽力杰
DELTA
XP power
DAC | ADC芯片
DAC|ADC
EUVIS
ADI
Teledyne E2V
微處理器
MCU
PADAUK應廣單片機
中科昊芯DSP
先楫MCU
雅特力MCU
Intel-ALTERA FPGA
澎湃微
風扇
Fan
DELTA臺達風扇
SUNON建準風扇
熱縮管
Heat Shrink Tubing
Raychem
自研產品
Leadway Prodcuts
LEADWAY電源模塊
LEADWAY微波產品
聯系我們
Contact
徽波元集成電路芯片
欧美亚洲一区-欧美激情一区-欧洲一区二区-欧美激情一区二区
微波元器件
?Q7P5HG-2100R定向耦合器
?Q7P5HG-2100R定向耦合器
非常重要性能指標
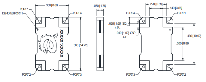
Q7P5HG-2100R定向(xiang)耦合器
頻次:1.8 – 2.2 GHz交叉耦合:7.兩分貝±0.7兩分貝方問性:23分貝駐波比:1.15:1讀取不足:0.15dB熱效率:175瓦鑒定板722-0006-03-E01購貨階段:6-8周
品牌:Electro-Photonics
商品情況介紹書
1800-2200 MHz Directional Coupler
The Q7P5HG-2100R is a broadband, bi-directional coupler with high power handling. It is suitable for AWS, DCS, PCS, UMTS, CDMA , IMT and more…
Specifications
Size: .560 X .350 inches
Frequency: 1.8 – 2.2 GHz
Coupling: 7.5 dB ± 0.75 dB
Directivity: 24 dB
VSWR: 1.15:1
Insertion Loss: 0.15 dB
Power: 175 W
Evaluation board 722-0006-03-E01