欧美亚洲一区-欧美激情一区-欧洲一区二区-欧美激情一区二区

Q20HE-1090R定向耦合器
Q20HE-1090R定向耦合器
必要因素

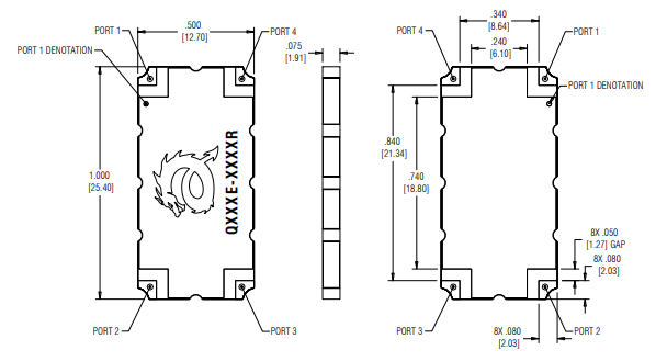
Q20HE-1090R定項合體器率:0.96 – 1.22 GHz耦合電路:20噪音分貝±1噪音分貝解耦非常平整度:±0.5dB朝向性:20聲音頻率駐波比:1.2:1復制到材料耗費:0.15dB公率:400瓦分析板722-0006-05-E01備貨壽命:6-8周

品牌:Electro-Photonics

類產品詳細信息解釋

960-1220 MHz Directional Coupler

The Q20HE-1090R is a broadband, bi-directional coupler with high directivity and high power handling. It is suitable for LTE mobile broadband, UHF television, GSM, and more…

Specifications

  • Size: 1.00 x 0.50 inches
  • Frequency: 0.96 – 1.22 GHz
  • Coupling: 20 dB ± 1 dB
  • Coupling Flatness: ± 0.5 dB
  • Directivity: 20 dB
  • VSWR: 1.2:1
  • Insertion Loss: 0.15 dB
  • Power: 400 W
  • Evaluation board 722-0006-05-E01

image.png