欧美亚洲一区-欧美激情一区-欧洲一区二区-欧美激情一区二区
認可來上海市立維創展現代科技有限制的廠家關方公司網站!
繁體中文
24H精準服務咨詢熱線 0755-83050846 / 83039348
搜索
欧美亚洲一区-欧美激情一区-欧洲一区二区-欧美激情一区二区
Home
關于我們
About
微波元器件
Microwave
AMCOM
CUSTOM MMIC
RF-LAMBDA
QORVO
MACOM
SOUTHWEST
NOVA射頻微波
KRYTAR
Aeroflex-API Tech
Anaren
Anritsu
RADITEK
North Hills
Synergy微波
WENTEQ
MITEQ
Marki
RF-Labs
ADI
CREE
UMS微波
PULSAR微波
MegaPhase
JDSU光纖測試
AMG-Microwave
Ironwood
Teledyne防務電子
HEROTEK
ARRA
MCLI
Leadway
CERNEX
Mi-Wave
ATM Microwave(L-3)
UTE Microwave
NEL Frequency Controls
API SAW Oscillators
SemiGen
KR Electronics
MECA
Electro-Photonics
RLC Electronics
JUPITER(Canada)
?IPP
電源模塊
Power
PICO
Cyntec乾坤
GAIA
VICOR
LINEAR
ARCH
SynQor
TOREX
SILERGY矽力杰
DELTA
XP power
DAC | ADC芯片
DAC|ADC
EUVIS
ADI
Teledyne E2V
微處理器
MCU
PADAUK應廣單片機
中科昊芯DSP
先楫MCU
雅特力MCU
Intel-ALTERA FPGA
澎湃微
風扇
Fan
DELTA臺達風扇
SUNON建準風扇
熱縮管
Heat Shrink Tubing
Raychem
自研產品
Leadway Prodcuts
LEADWAY電源模塊
LEADWAY微波產品
聯系我們
Contact
微波通信元功率器件
欧美亚洲一区-欧美激情一区-欧洲一区二区-欧美激情一区二区
微波元器件
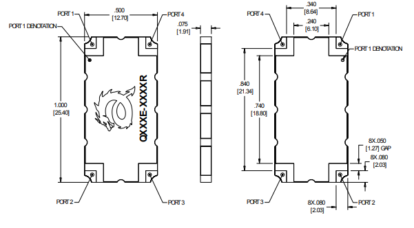
?Q30HE-900R定向耦合器
?Q30HE-900R定向耦合器
最重要主要參數
Q30HE-900R定向耦合器
頻繁:0.7 – 1.2 GHz解耦:30.五分貝±兩分貝交叉耦合陡峭度:±0.3dB放向性:18聲音頻率駐波比:1.10:1插進消耗:0.1dB功效:355瓦評定板722-0006-05-E01定貨周期長:6-8周
品牌:Electro-Photonics
貨品具體詳情簡紹
700-1200 MHz Directional Coupler
The Q30HE-900R is a broadband, bi-directional coupler with high directivity and high power handling. It is suitable for LTE mobile broadband, UHF television, GSM, and more…
Specifications
Size: 1.00 x 0.50 inches
Frequency: 0.7 – 1.2 GHz
Coupling: 30.5 dB ± 1 dB
Coupling Flatness: ± 0.3 dB
Directivity: 18 dB
VSWR: 1.10:1
Insertion Loss: 0.1 dB
Power: 355 W
Evaluation board 722-0006-05-E01