欧美亚洲一区-欧美激情一区-欧洲一区二区-欧美激情一区二区
熱情接待來成都市立維創展科技信息不足集團公司游戲官方公司網站!
中文名字
24H保障電話 0755-83050846 / 83039348
搜索
欧美亚洲一区-欧美激情一区-欧洲一区二区-欧美激情一区二区
Home
關于我們
About
微波元器件
Microwave
AMCOM
CUSTOM MMIC
RF-LAMBDA
QORVO
MACOM
SOUTHWEST
NOVA射頻微波
KRYTAR
Aeroflex-API Tech
Anaren
Anritsu
RADITEK
North Hills
Synergy微波
WENTEQ
MITEQ
Marki
RF-Labs
ADI
CREE
UMS微波
PULSAR微波
MegaPhase
JDSU光纖測試
AMG-Microwave
Ironwood
Teledyne防務電子
HEROTEK
ARRA
MCLI
Leadway
CERNEX
Mi-Wave
ATM Microwave(L-3)
UTE Microwave
NEL Frequency Controls
API SAW Oscillators
SemiGen
KR Electronics
MECA
Electro-Photonics
RLC Electronics
JUPITER(Canada)
?IPP
電源模塊
Power
PICO
Cyntec乾坤
GAIA
VICOR
LINEAR
ARCH
SynQor
TOREX
SILERGY矽力杰
DELTA
XP power
DAC | ADC芯片
DAC|ADC
EUVIS
ADI
Teledyne E2V
微處理器
MCU
PADAUK應廣單片機
中科昊芯DSP
先楫MCU
雅特力MCU
Intel-ALTERA FPGA
澎湃微
風扇
Fan
DELTA臺達風扇
SUNON建準風扇
熱縮管
Heat Shrink Tubing
Raychem
自研產品
Leadway Prodcuts
LEADWAY電源模塊
LEADWAY微波產品
聯系我們
Contact
微波射頻元電子器件
欧美亚洲一区-欧美激情一区-欧洲一区二区-欧美激情一区二区
微波元器件
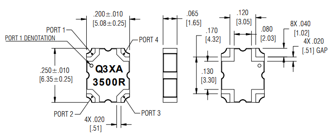
?Q3XA-3500R寬帶混合耦合器
?Q3XA-3500R寬帶混合耦合器
很重要主要參數
Q3XA-3500R寬帶混合耦合器
聲音頻率:3200-3800兆赫馬力:20瓦放耗損:0.22 dB隔離霜度:2四分貝駐波比:1.20進貨階段:6-8周
品牌:Electro-Photonics
物品具體詳情詳細介紹
Features
3200 – 3800 MHz
Low Loss
High Isolation
Tight Amplitude Balance
90 deg Quadrature
Surface Mountable
CTE Matched
WiMax, WiBro, LTE Band
Tape and Reel Option
Specifications
Size: .250 x .200 inches
Frequency: 3200-3800 MHz
Power: 20 W
Insertion Loss: .22 dB
Amplitude Balance: ± .2
Isolation: 24 dB
VSWR: 1.20
Phase Balance: ± 3