欧美亚洲一区-欧美激情一区-欧洲一区二区-欧美激情一区二区
的歡迎來東莞市立維創展科技創新比較有限集團公司游戲官方網絡!
簡體中文
24H的服務電話 0755-83050846 / 83039348
搜索
欧美亚洲一区-欧美激情一区-欧洲一区二区-欧美激情一区二区
Home
關于我們
About
微波元器件
Microwave
AMCOM
CUSTOM MMIC
RF-LAMBDA
QORVO
MACOM
SOUTHWEST
NOVA射頻微波
KRYTAR
Aeroflex-API Tech
Anaren
Anritsu
RADITEK
North Hills
Synergy微波
WENTEQ
MITEQ
Marki
RF-Labs
ADI
CREE
UMS微波
PULSAR微波
MegaPhase
JDSU光纖測試
AMG-Microwave
Ironwood
Teledyne防務電子
HEROTEK
ARRA
MCLI
Leadway
CERNEX
Mi-Wave
ATM Microwave(L-3)
UTE Microwave
NEL Frequency Controls
API SAW Oscillators
SemiGen
KR Electronics
MECA
Electro-Photonics
RLC Electronics
JUPITER(Canada)
?IPP
電源模塊
Power
PICO
Cyntec乾坤
GAIA
VICOR
LINEAR
ARCH
SynQor
TOREX
SILERGY矽力杰
DELTA
XP power
DAC | ADC芯片
DAC|ADC
EUVIS
ADI
Teledyne E2V
微處理器
MCU
PADAUK應廣單片機
中科昊芯DSP
先楫MCU
雅特力MCU
Intel-ALTERA FPGA
澎湃微
風扇
Fan
DELTA臺達風扇
SUNON建準風扇
熱縮管
Heat Shrink Tubing
Raychem
自研產品
Leadway Prodcuts
LEADWAY電源模塊
LEADWAY微波產品
聯系我們
Contact
微波射頻元電子器件
欧美亚洲一区-欧美激情一区-欧洲一区二区-欧美激情一区二区
微波元器件
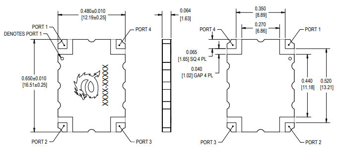
Q3XD-450R? 寬帶混合耦合器
Q3XD-450R? 寬帶混合耦合器
關鍵性參數指標
Q3XD-450R 光纖寬帶相混交叉耦合器概率:380-520 MHz瓦數:200瓦加入損耗量:0.20 dB底部隔離度:2兩分貝駐波比:1.18定貨時間是:6-8周
品牌:Electro-Photonics
服務祥情講解
Features
380 – 520 MHz
Low Loss
High Isolation
Tight Amplitude Balance
90 deg Quadrature
Surface Mountable
CTE Matched
NMT 450 Band
Tape and Reel Option
Specifications
Size: .650 x .480 inches
Frequency: 380-520 MHz
Power: 200 W
Insertion Loss: .20 dB
Amplitude Balance: ± .3
Isolation: 25 dB
VSWR: 1.18
Phase Balance: ± 2