欧美亚洲一区-欧美激情一区-欧洲一区二区-欧美激情一区二区

ADI ADI
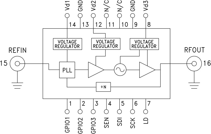
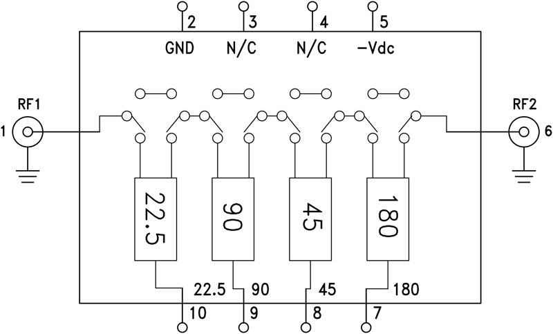
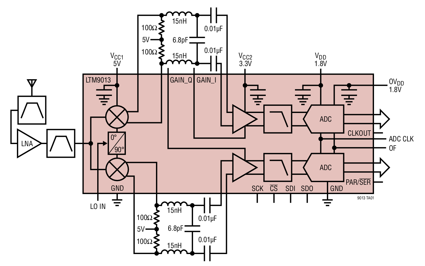
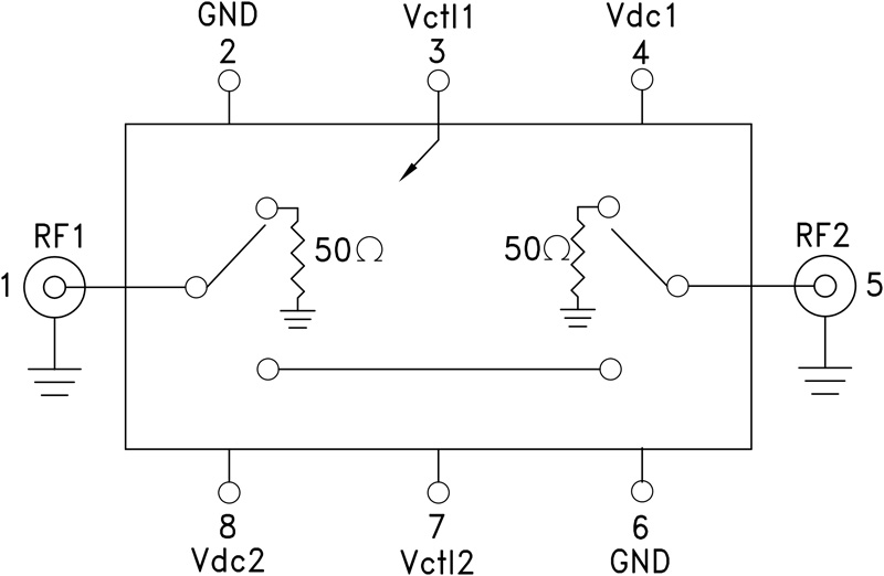
ADI工司是虛擬電源存儲芯片、相混電磁波和字母電磁波補救技木放向的游戲世紀精英型的類廠品,ADI是高效能虛擬電源存儲芯片、相混電磁波補救器和字母電磁波定量分析補救(DSP)和融合電源線路(IC)設計構思、加工加工制造和類廠品互聯網營銷層面存在游戲世紀精英型水平方向的公司,ADI類廠品包涵到可以說任何的的類型的網絡的市場及其電子無線元件的市場機 ,ADI類廠品軟件于飛機維修航天部、工業企業、二手車、微波射頻通信和使用網絡的市場。2012年ADI收構Hittite微波射頻與毫米(mm)波類廠品線。鄭州市立維創展科技發展是ADIrfrf射頻微波rf射頻的分銷商商。ADI處理芯片貨品的供貨:縮放器、曲線貨品的、資料變為器、音頻圖片貨品的、電信光釬寬帶貨品的、鐘表和延時IC、電信光釬和電信光釬網絡通信貨品的、接口標準和時間、MEMS和感應器器、電源電開關和熱經管、處理器和DSP、rfrf射頻和圖像處理器、電開關和分路器等。大這部分新產品,均提供數據期貨交易量采購。*要素尺寸需報考口同意