服務行業最新資訊
發布公告準確時間:2025-06-10 16:32:01 搜索:300
MH096D3RD電流無刷電動機是臺達(DELTA)生產生產生產的一類性能參數優秀直流電源主軸電機,提供很多種一流技藝優越。MH096D3RD以快速率、相對穩定量分析、環保性試述適于安裝的特質,成為了許多高動態數據產業使用下的非常理想選定。
大多技術參數
伺服電機的方式:380V直流電無刷伺服電機的(BLDC)
額定值交流電壓:24V/48V
穩定工作功率:50W-200W(具代表性值)
額定的帶速:3000-5000 RPM
核心性狀
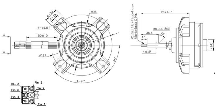
機形態:
內徑:96mm(MH096寫出96mm軸座)
使用的工藝:法蘭部使用(D3說道特殊性法蘭片技術參數)
軸徑:8mm/10mm(分類規格為)

電力工程技術指標:
額定值電流量:2A-5A
極常用對數:4極/8極
絕緣電阻等級劃分:B級或F級(130°C或155°C)
性能指標數據:
生產率:≥85%
輕載電壓電流:<0.5A
開機啟動起動轉矩:額定功率最大扭矩的2-3倍
接法與插孔:
機身:JST ELP-06V或相近的管腳1:藍色,Vm(310 VDC)
管腳2:生態,直流電評議
管腳3:乳白色,Vcc(15VDC)
管腳4:顏色,F/G的信號讀取(4單脈沖/轉)
管腳5:茶色,Vsp(0~5.7 VDC)
管腳6:棕色,GND)
防護性:CCC
杭州市立維創展科學十分有限單位以DELTA電風扇巨大現貨平臺庫存商品為特色文化,以資源優勢的產品報價為潛在客戶帶來提供服務,感謝諮詢。
款型 | 上班電壓值(直流電壓電) | 額定電流電壓(直流變壓器電)
| 單脈沖/時速 | 額定值電流網絡速度(轉/分鐘的時間) | 電機額定功率力矩(牛·Cm) | 功率直流電(安培) | 額定轉換熱效率(瓦) | 無根據嘈音(聲音分貝(A)) |
MH096D3RD | 280 ~ 340 | 310 | 4 | 1400 | 34.1 | 0.230 | 50 | < 50 |
上一篇: ?為何DELTA臺達風扇備受認可?
下一篇: ?SUNON建準DC鼓風機