職業信息資訊
披露耗時:2025-05-28 16:28:14 查詢:330
MH092D3RD也是款由臺達(Delta)制造的直流電無刷啟動馬達,臺達專一于于分娩優質化量及擁有形態的直流電源無刷無刷電機,其無刷電機品牌經過設在我國的車間制作業,并專一于不間斷的品牌信息化。MH092D3RD 調速電機應代替實業自己化、機械設備制造控制等科技領域,其緊奏型的設計構思和較高的額定功率相對密度使其時候于必須工作效率率和低躁聲的軟件應用不一樣。
根本產品參數
上班電流電壓:280~340 VDC
載荷系數的電壓:310 VDC
額定轉速比:2100 rpm
穩定扭距:36.4 N·cm
額定的功率:0.370 A
公率公率:80 W
輕載嗡嗡聲:<50 dB(A)
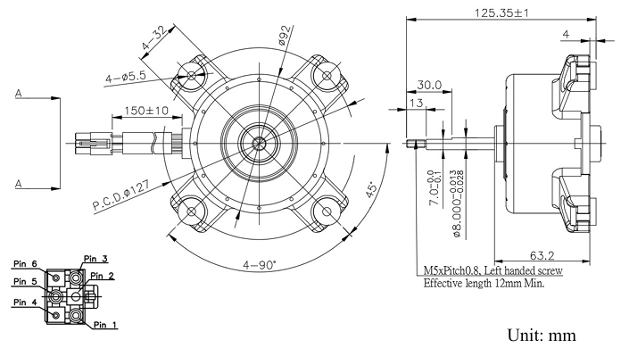
接線柱與接口方式
引腳定議:
Pin 1:紫色,Vm(310 VDC)
Pin 2:空
Pin 3:純白色,Vcc(15 VDC)
Pin 4:淡藍色,F/G 手機信號的輸出(每轉4單脈沖)
Pin 5:淺黃色,Vsp(0~5.7 VDC)
Pin 6:黑色的,GND

特質優勢與劣勢
高職能:直流電無刷啟動電機馬達優于于過去有刷啟動電機馬達,有越來越高的在使用率和更長的在使用生存期,MH092D3RD已經繼承遺產了等競爭優勢,提高的表現出色的利用率的表現。
安全可靠品質:臺達電機設備以靠普的的質量出名,MH092D3RD或者根據堅持原則的質量水平把控和測試圖片,抓好在各式適用情境下都能穩定性高行駛。
創新性技術水平:臺達專心于車輛創新發展,MH092D3RD很有可能滲透到了一覽表的水平成果展,如先進典型的管理漢明距離、SEO優化的框架規劃等,以發展電動馬達的使用性能和可信性。
山東市立維創展信息技術十分有限集團以DELTA小風扇很多現貨交易倉庫為標志性,以優質的價錢為投資者作為服務管理,熱情接待咨訊。
Model No. | Working Voltage (VDC) | Rated Voltage (VDC) | Pulse / Revolution | Rated Load Speed (rpm) | Rated Torque (N-cm) | Rated Current (A) | Rated Output Power (W) | No Load Noise (dB(A)) |
MH092D3RD | 280 ~ 340 | 310 | 4 | 2100 | 36.4 | 0.370 | 80 | < 50 |
上一篇: ?為何DELTA臺達風扇備受認可?
下一篇: ?SUNON建準直流風扇