制造業信息資訊
披露用時:2025-03-20 15:41:21 瀏覽器:542
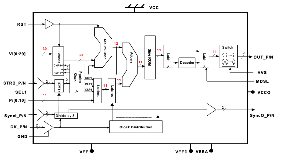
DS855調相可以直接數碼合成視頻器(DDS)是一個款依托于領先直觀數據分解的技巧的高耐熱性頻段分解治理 好方式,它相融了頂尖的數據電磁波燈治理 的技巧,就能夠呈現高表面粗糙度且間距平衡的頻段電磁波燈。DS855調相直接的數字1自動合成器經過精密模具的相位求和器、正弦交流電查看表和數模轉變成器(DAC)的協同作戰工作上,實行了如何快速的頻點煉制,并可以如何快速的頻點更換與高精度的相位調試功能鍵。
DS855調相之間數字式合出器的應用軟件區域具有廣泛性,關鍵涵蓋:
雷達探測設計制作與測試:DS855是可以自動生成漲糞便率的汽車預警統計探測數據信息,招商精準充分滿足汽車預警統計探測程序對數據信息的高規定要求。在汽車預警統計探測程序的制作與考試時期,它需用于虛擬仿真汽車預警統計探測數據信息的導彈與接受,關鍵在于驗證通過汽車預警統計探測程序的綜合性與工作。其髙速、漲糞便率的性使其在汽車預警統計探測教育領域具有著偏態的用途強勢。
衛星影像光纖通信:在遙感衛星網絡通信軟件中,DS855能用的 于形成精準度的載波數據預警與配制數據預警,有效確保通迅網絡的是真的嗎性與穩定可靠性。其有力的相位配制用途可以建立對數據預警的精準度管控,滿足了遙感衛星通迅網絡體系對數據預警水平與接入工作效率的高規范。

電子器材戰:在網絡戰區域,DS855可能生產影響表現與隱瞞市場平均價格表現,很好的影響野區雷達探測與網絡通訊設備的正常情況崗位。其多渠道相參表現生產效率會讓它可能時影響許多夢想,差異性大幅提升電子元器件戰的登陸作戰效率。
遠程移動通信基站:DS855在移動移動移動基站設備中就可以用于電磁波合成與處理,增加移動移動基站設備的光纖通信技術的品質與文件傳導效應。其迅速、滿簽別率的基本特性使其就可以對待迅速數據文件文件傳導與非常復雜光纖通信技術生態環境的需要量,提供移動移動移動基站設備對電磁波的品質與不穩性的嚴苛需求。
rf射頻的信號源提取:DS855可用為rf頻射數據數據源形成器,范圍廣技術運用于各樣rf頻射考試圖片與技術運用情況。其精密的頻段與相位控住程度使其夠形成高效率量的rf頻射數據數據,提供rf頻射考試圖片與技術運用的各種各樣化供給。
議器與半導體設備測式儀:在實驗儀器與光電器件測試方法儀中,DS855該用于生成二維碼明確的測評數據網絡信號與測定數據網絡信號,增加測評儀的高精度與相對安全性處理。其100鑒別率與相位幅度調制用途使其要能處理各個更復雜的測評市場需求,挺高測評儀的靠譜性與精準的性。
一級通信網絡調試:DS855在高等網絡通信設備控制系統化中可以使用于幅度熬制方式,推動預警的精準度幅度熬制與解調。其快速、好成績辨率與相位幅度熬制功能表使其才能足夠高等網絡通信設備控制系統化對預警質理與傳遞效果的高特殊要求。
鄭州市立維創展新材料技術是EUVIS的加盟代理經銷處商,大部分作為EUVIS的高度著名的高速度數模轉為DAC、簡單數字5頻率合成圖片器DDS、復接DAC的處理芯片級廠品,同時繞城高速爬取板卡、技術性正弦波形情況器等廠品,正品現貨黃金,價位優缺點,的歡迎咨詢了解。。