行業內房產資訊
發布消息時間段:2025-02-12 15:52:44 訪問 :530
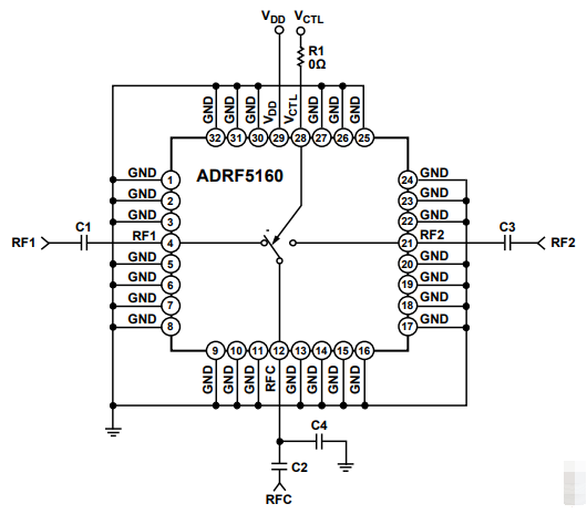
ADRF5160是Analog Devices Inc.(ADI)推出了的十款高耐熱性硅基0.7 GHz至4.0 GHz單刀雙擲(SPDT)反射強度控制開關,用于無引腳、表面能貼裝的封裝類型類型。ADRF5160專為高最大功率采用和蜂窩根本配制,如長期的演變(LTE)信號塔等裝修設計。ADRF5160掌握表現出色的高電率清理意識,其經常(>10年)平均值典型性值在8 dB峰均比LTE標準下能達41 dBm,一同在2.0 GHz以內的一般進到這一領域耗損僅為0.7 dB。不僅如此,ADRF5160的放入三階截點(IP3)典型案例臨界值70 dBm,0.1 dB減小點(P0.1dB)舉例參考值47 dBm。
ADRF5160的片上用電線路在5 V單正交流24v電源電流值下自動運行,類型交流24v電源電流值僅為1.1 mA,是PIN場效應管電源開關的滿意代用方案范文。ADRF5160的打包封裝合乎RoHS規范標準,采用了主體工程的32引腳、5 mm × 5 mm LFCSP設置。

性狀綜述:
反射層式裝修設計,50 Ω特性阻抗一致
低插入表格損耗率:在2.0 GHz下,類型指標值0.7 dB
高工率加工效果,在TCASE = 105°C必要條件下表現出色
長久(>10年)分別熱效率突出表現:
接連波工作效率:43 dBm
最高值工作效率:49 dBm
LTE總值馬力(8 dB峰均比):41 dBm
日均事情(<10秒)均衡LTE工率(8 dB峰均比):44 dBm
高平滑度主要表現:
P0.1dB基本特征值:47 dBm
IP3一般值:70 dBm
靜電感應擊穿(ESD)保護等級劃分高:
人體本身模式化(HBM):4 kV,3A級
帶電體機器設備繪圖(CDM):1.25 kV
單正供電電阻:5 V
正調整數據,兼容CMOS/TTL電平
緊促的32引腳、5 mm × 5 mm LFCSP二極管封裝
應用軟件方面:
wifi手機知識基礎場地設施設施
軍事化及高安全可靠性指標應運景象
測試衡量系統
用于PIN二級管開關按鈕的用于方案怎么寫
山東市立維創展科技產業是ADI的零售商商,通常供應變大器、曲線設備、數據信息轉變成器、音短視頻設備、寬帶網絡設備、掛鐘和定時執行IC、光纖傳輸通迅產品的、音頻接口和每隔、MEMS和感知器、交流電源和熱經管、治理器和DSP、頻射和圖表加工i7處理器、觸點開關和調整器等,企業產品原廠現貨交易,多少錢優越性,追捧資訊。