制造業快訊
發布了日子:2024-11-13 17:32:14 查看:853
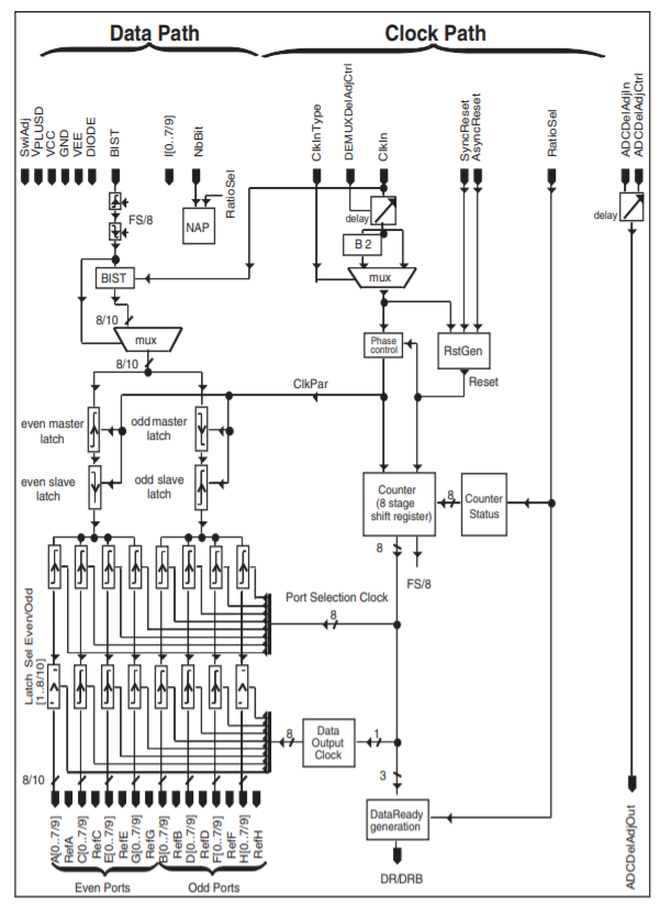
TS81102G0FS是E2V的那款單支10位飛速(高至1.5Gsps)多路分用器。DMUX往往用來和各項ADC時崗位,具有體地說,TS81102G0FS與e2v速度ADC 8位1Gsps TS8388B、ADC 10位2Gsps TS83102G0B無極限替換。
TS81102G0FS備選路過全面定期檢查的體系結構,涉及到延時設定與可控式傳輸電平。
TS81102G0FS是可以讓大家將高輸入輸出數據表格流設汁到準則數據信息進行電腦處理器傳輸速度(準則FPGA)

常見本質特征
可和程序編寫DMUX平均水平:
-1:4統計數據傳輸速率最底=750 Msps
-PD(8b/10b)<4.3/4.7W(ECL 50輸出精度)
-1:8統計數據頻率最好=1.5Gsps
-PD(8b/10b)<6/6.9W(ECL 50輸送)
-1:16,帶1個TS8388B或1個TS83102GO和2個DMUX
并行性導出狀態
8/10位
.ECL差分發送動態數據
.數劇打算或數劇打算/2輸入秒表
.放入數字時鐘監測延后調
單端模擬輸出數據分析:-可變式共模和翻轉-形式邏輯性域值決定性導出
-ECL、PECL、TTL
.異步初始化
導入重設
.ADC和DMUX多入口通道技術設備操作:操作于ADC采集立即居采和獨立的超時調低功能
差評分據預備輸送
內置監測(BIST)
雙24v電源VEE=-5V,Vcc=5V
·指向散發承受力整體布局設計的概念(保守估計已經超過100 Krad(Si))
熱提高CQFP196腔學習裝封
選擇
工作上平均溫度:
-C級:0C-V級:-40℃-M級:-55C·“C”、“V”和“M”級的規格查檢級別劃分
·ESA SCC 9000“M”級板塊淘汰環節(可根據必須)
西安立維創展創新科技是Teledyne E2V的代理商商,重點市場出清Teledyne E2V數模轉換成器和半導體設備,Teledyne E2V的軟件應用教育領域也包括光纖通信、手動化、感覺、醫院、節能等。價特點,邀請資詢。