業內知識
上架耗時:2024-10-28 16:57:56 瀏覽訪問:738
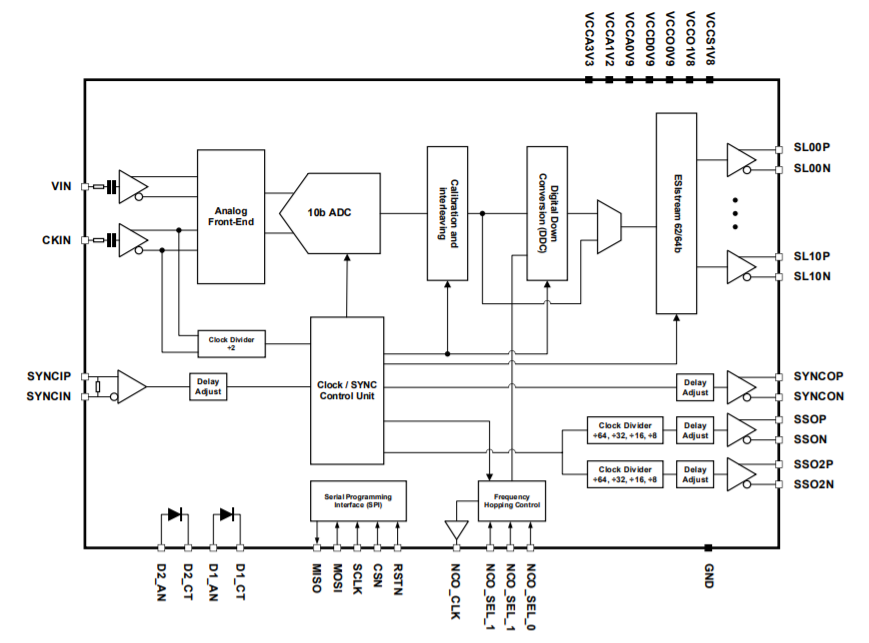
EV10AS940是款符合10位Ka光波的單路齒條參數互轉器(ADC),抽樣率高至12.8GSps,實用功能損耗費為2.5W。猶豫集成系統化很多個NCO,具備條件數字1下變頻柜(DDC)和跳幀(FH)功用性,具備著多種大數字緩沖區。EV10AS940應用無機基本的材質材料打包封裝方法,要能保持迅速和帶寬起步測量控制車。

特色
33GHz(-3dB)虛擬仿真服務器帶寬
高至12.8GSp
10位辯別率
2.5W職能材料耗費
500mVpp滿量限放入高動態性范圍圖
單端rf射頻和石英鐘設置,帶板上直流變壓器塊和50Ω加載失敗式
板上脊背校正
號碼下變頻(DDC)
I/Q下定頻,滿足2到1024百分比
1個粗通道或較多4個細的通道行確定
迅猛跳幀,要具備多功能型確認性操縱和3跳應用設置:
相位重制
相位反復性
相位一致性性(各渠道4個相位釋放器)
常用做波束組成的數字8時間延遲和可源程序增益控制值
11個關聯HSSL
ESIstream 62/64b合同
多ADC關聯功能模塊
3.3V/1.8V/1.2V/0.9V控制開關電原
效率高的1.2V至1.8V SPI按鈕交流電源
16.0x17.6mm2巧妙FCBGA
跨距為0.8mm的350個會員積分(SAC305)
極限生活環境高溫:-55°C(Tcase)至125°C(Tj)
RoHS(無鉛)
軟件應用區域
衛星影像通訊網絡放出操作系統,
光仟安全可靠放出設計,
機載預警雷達(SAR)使用模式
通信衛星網絡通信、測控整體、數據表格環路
光電戰(追蹤/驗測)
軍事安全可靠操作系統
軍品用商業性用現貨黃金遙測設計
字母貯存示波器
高速公路遙測模式
射電天文
成都 立維創展社會是Teledyne E2V的代理商商,通常供求平衡Teledyne E2V數模轉變器和半導體芯片,Teledyne E2V的利用業務領域例如通信設備、半機械化、發展、醫療保障、節能環保等。成本特色,感謝管理咨詢。
上一篇: 高速模數轉換器ADC時鐘極性與啟動時間