行業領域介紹
更新的時間:2024-08-28 09:34:49 觀看:5834

主要特點
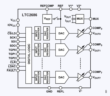
區域用量與辨別好壞率:LTC2686出示15個獨立自主的DAC區域,4個區域具16位辨別好壞率。 模擬內容打印輸出時間使用區間:每家安全通道的模擬內容打印輸出時間使用區間能孤立代碼編程,支持軟件許多種模擬內容打印輸出時間使用區間,涉及0 V至5 V、0 V至10 V、±5 V、±10 V和±15 V。 單薄性:該DAC要保障單薄性,保障在整個操作的因素下輸出工作電壓的不間斷性和可精準預測性。 輸出的電壓抗震器:預置軌到軌輸出的電壓抗震器,能供應或代謝高至55 mA的瞬時電流。 標準點的電壓降值電流源:內部人員4.096 V緊密標準點的電壓降值電流源,使用高gps精度內容輸出的電壓降值電流制定。外觀標準點的電壓降值電流源也可作于映射使用范圍高級設置。 可代碼代碼編程失調合增加收益:采用可代碼代碼編程失調合增加收益寄存器,進三步不斷提高DAC輸入輸出的精準度。 接口協議協議:適用SPI和MICROWIRE兼容的四線串行接口協議協議,可在低至1.71 V的語言表達電平靜高至50 MHz的石英鐘平率下辦公。 芯片封口:能提供6 mm x 6 mm的40引腳LFCSP和4.5 mm × 4.5 mm的64引腳WLCSP不同芯片封口按鈕。應用領域
LTC2686適合于多種類高可靠性強,精密度把控和測量技術應用,包涵: - 光纖線系統 - 醫療儀器設備盤 - 數據統計收采 - 自動化檢測系統 - 整個過程管理和化學工業自動化其他特性
INL不確定度:最多集分非線形(INL)不確定度為±3 LSB(LTC2686-16)和±0.75 LSB(LTC2686-12)。 攝氏度增強性:基點電壓電流源的攝氏度增強性為±10 ppm/°C(上限值)。 多路重復使用器:虛擬多路重復使用器還簡化了的輸出直流電電壓、根據直流電和結溫的在測量。 配電:能夠利索的單配電或雙配電配電。上一篇: 高速模數轉換器ADC時鐘極性與啟動時間
下一篇: AD8139低噪聲軌到軌差分ADC驅動器