業咨訊
上線時間段:2022-05-09 16:50:04 預覽:1159
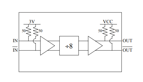
DV008是款16針3x3mm塑料制品QFN二極管封裝的高速公路8分頻器。伴隨其高輸入靈敏度性、低輸出的相位嘈音和小樣式長度,DV008特備適當從網洛數據通訊、儀器裝備裝備、無線wifi電/預警雷達測探到醫用服務保障等大范圍app。DV008遵循差分輸進和讀取,可聯收從0.2GHz(正弦函數波、直流電源方波)到14GHz的手機輸入頻帶寬度。需注意一些+5V的旋轉開關供電。

首要特殊性
?0.2-14GHz資源帶寬
?低相位噪音分貝:-140dBc/Hz
?高搜索流暢性:-25dBm
?打出震幅:800mVp-p(差分)
?差分進入和輸出的
?50?投入/讀取特性阻抗
?單控制電源電路線:+5V
?直流電壓耗用:75mA
?16針3x3mm可塑料QFN打包封裝
山東市立維創展科持是EUVIS的經售商經售商,包括給予EUVIS的國際杰出的髙速數模轉為DAC、直觀數字式頻繁制作而成器DDS、復用技術DAC的心片級品牌,與迅速搜集板卡、靜態弧形發生的器等品牌,原版現貨平臺,單價優越性,喜愛咨訊。
寶貝詳情認識EUVIS請點擊事件://www.gyzhkj.com/brand/24.html